EasyManua.ls Logo

Thor Kitchen ARE30 - ARE - Convection strip circuits

Thor Kitchen ARE30
70 pages
Print Icon
To Next Page IconTo Next Page
To Next Page IconTo Next Page
To Previous Page IconTo Previous Page
To Previous Page IconTo Previous Page
Loading...
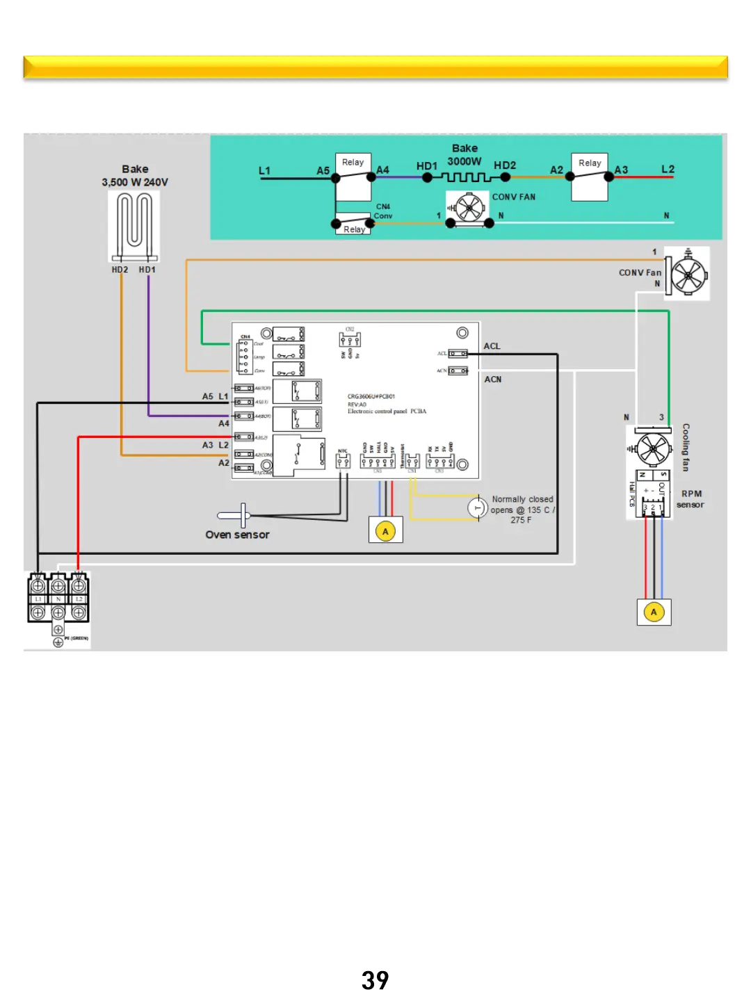
ARE Convection strip circuits
Thor Kitchen internal use only
Convection Heating
A5 L1 Black wire and A3 L2 Red wire supply the 240V input to the control
board. When bake cycle is selected the Bake relay will close L1 phase voltage
will exit relay PCB on A4 Purple Wire and travel to Bake element terminal HD1
Double line break relay will close at same time as Bake relay. This will supply L2
phase, it will exit relay PCB on A2 Brown wire and travel to Bake element
terminal HD2.
There will now be 240V present to heating element.
Convection fan relay will close supplying L1 (120V) at CN4 Pin1 Orange wire to
convection fan, Voltage will pass thru conv fan motor to terminal (N) White
wire supplying neutral path.

Other manuals for Thor Kitchen ARE30

Related product manuals