EasyManua.ls Logo

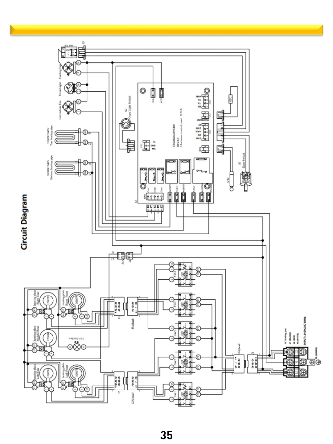
Thor Kitchen ARE30 - ARE -Wiring Schematic

Thor Kitchen ARE30
70 pages
Print Icon
To Next Page IconTo Next Page
To Next Page IconTo Next Page
To Previous Page IconTo Previous Page
To Previous Page IconTo Previous Page
Loading...
ARE -Wiring Schematic

Other manuals for Thor Kitchen ARE30

Related product manuals