EasyManua.ls Logo

Thor Kitchen ARE30 - ARE - Bake Strip circuits

Thor Kitchen ARE30
70 pages
Print Icon
To Next Page IconTo Next Page
To Next Page IconTo Next Page
To Previous Page IconTo Previous Page
To Previous Page IconTo Previous Page
Loading...
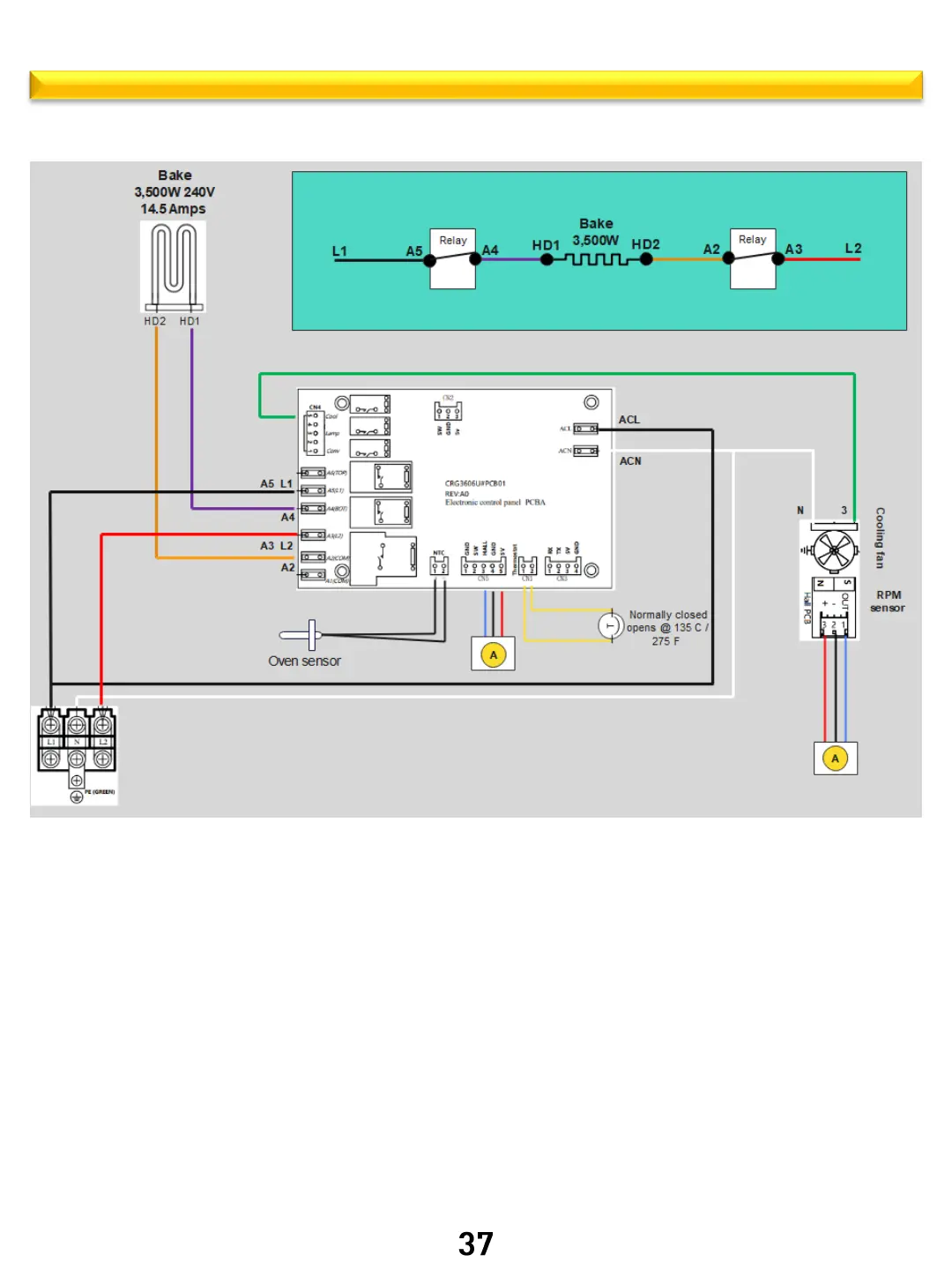
ARE Bake Strip circuits
Thor Kitchen internal use only
Bake Element Circuit
A5 L1 Black wire and A3 L2 Red wire supply the 240V input to the
control board. When bake cycle is selected the Bake relay will close L1
phase voltage will exit relay PCB on A4 Purple Wire and travel to Bake
element terminal HD1
Double line break relay will close at same time as Bake relay. This will
supply L2 phase, it will exit relay PCB on A2 Brown wire and travel to
Bake element terminal HD2.
There will now be 240V present to heating element

Other manuals for Thor Kitchen ARE30

Related product manuals