EasyManua.ls Logo

Timan RC-1000 - Page 45

Default Icon
66 pages
Print Icon
To Next Page IconTo Next Page
To Next Page IconTo Next Page
To Previous Page IconTo Previous Page
To Previous Page IconTo Previous Page
Loading...
41
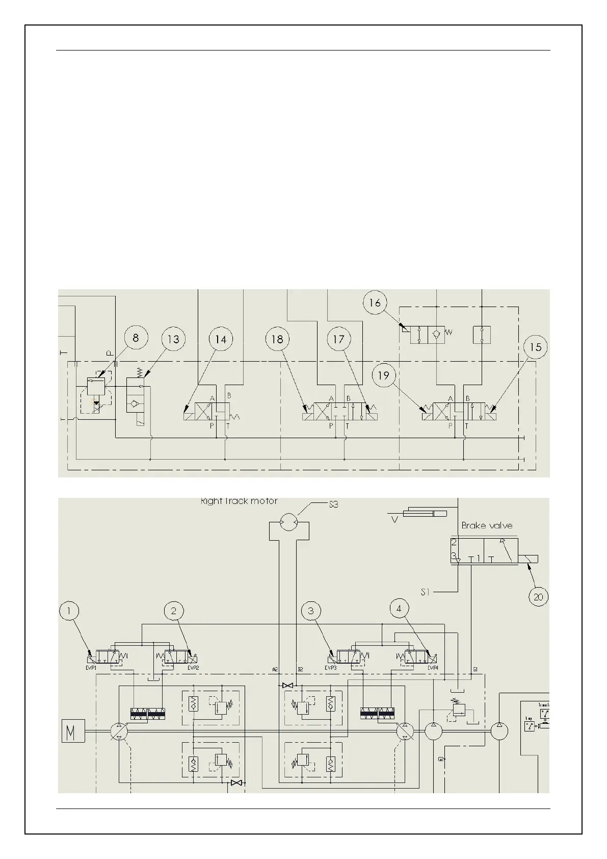
Out 23 On/off for the oil cooler fan. The fan sucks for 2.5 min after which it stops for 4 sec. After 4
seconds, the direction of the fan flow changes for 15 seconds. Then it stops for 4 seconds and sucks
for 2.5 minutes etc. The fan is controlled by the thermostat, and it starts when the oil temperature
exceeds 45 degrees.
Out 24 On/off for blower reverse
Out 25 On / off max. 3 A for equipment - working lights or flash light
Out 26 On / off max. 3 A for equipment - working lights or flash light