EasyManua.ls Logo

TYM T390 - Page 22

TYM T390
301 pages
Print Icon
To Next Page IconTo Next Page
To Next Page IconTo Next Page
To Previous Page IconTo Previous Page
To Previous Page IconTo Previous Page
Loading...
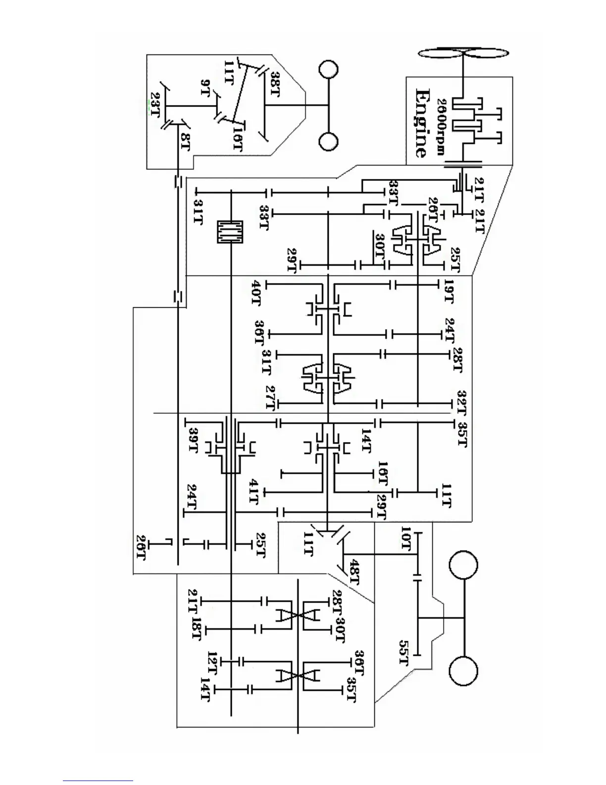
SECTION 3. GEAR TRAIN DIAGRAMS (T430/T450)
Fig.1-3 GEAR TRAIN DIAGRAM
1-21

Table of Contents

Other manuals for TYM T390

Related product manuals