EasyManua.ls Logo

Valmet OC2R - Electrical Connections of TCU

Default Icon
49 pages
Print Icon
To Next Page IconTo Next Page
To Next Page IconTo Next Page
To Previous Page IconTo Previous Page
To Previous Page IconTo Previous Page
Loading...
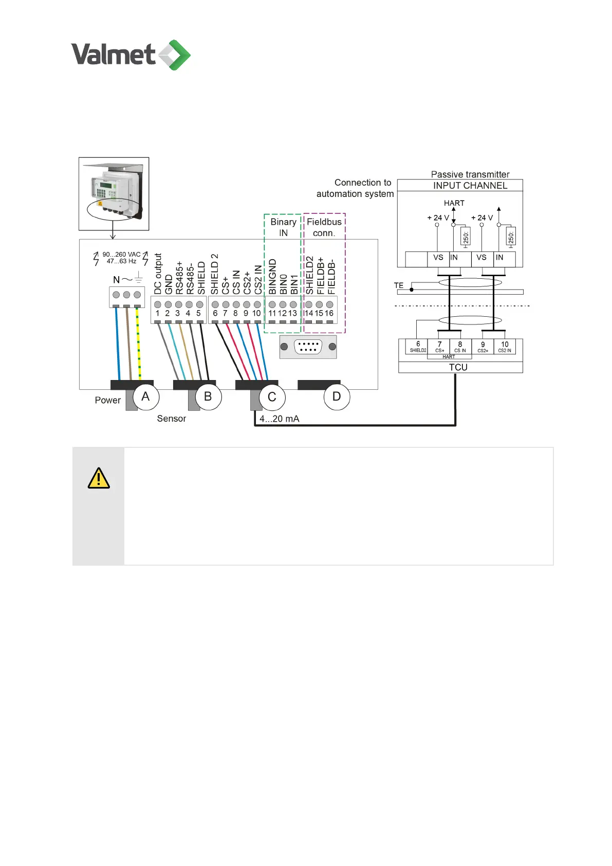
6.2 Electric connections of TCU
DANGER:
Make sure that the power supply cables are de-energized before
making any connections! Check all connections before connecting
power to the cables.
1. Install the power supply cable 90–260 VAC (A).
2. In a normal delivery the sensor cable (B) is already connected to the TCU.
3. Insert the output signal cable into the TCU connector casing through an inlet
bushing (C) and connect it to the terminals as shown in the drawing.
4. Connect the binary input cable, see section Binary inputs on page 23 for more
information.
Installing the TCU | 22 (48)
K20798 V1.1 EN - 1 - 12/2019

Related product manuals