EasyManua.ls Logo

Vanair 050817 - Page 148

Default Icon
184 pages
Print Icon
To Next Page IconTo Next Page
To Next Page IconTo Next Page
To Previous Page IconTo Previous Page
To Previous Page IconTo Previous Page
Loading...
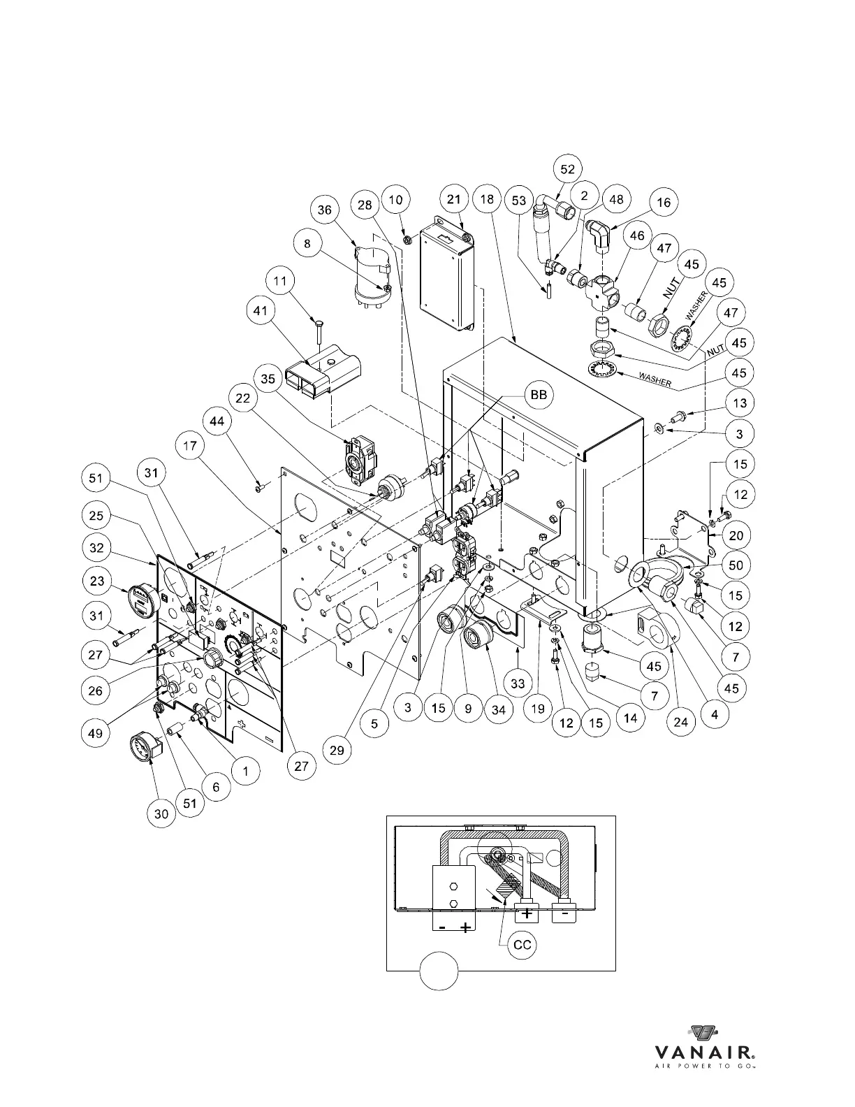
SECTION 9: ILLUSTRATED PARTS LIST AIR N ARC
®
200 SERIES ALL-IN-ONE POWER SYSTEM
®
PAGE - 126 090019-OP_r0
9.5 INSTRUMENT PANEL (CONTINUED)
PA6040022ID_r0
AA

Table of Contents

Related product manuals