EasyManua.ls Logo

Vanair 050817 - Instrument Panel

Default Icon
184 pages
Print Icon
To Next Page IconTo Next Page
To Next Page IconTo Next Page
To Previous Page IconTo Previous Page
To Previous Page IconTo Previous Page
Loading...
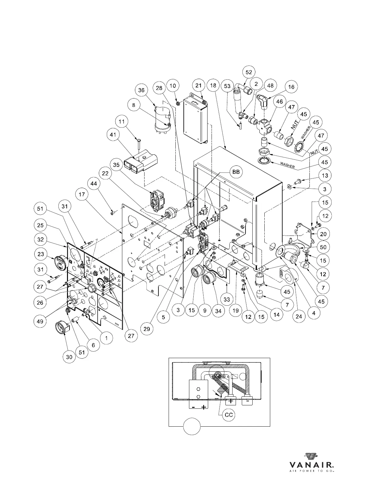
SECTION 9: ILLUSTRATED PARTS LIST AIR N ARC
®
200 SERIES ALL-IN-ONE POWER SYSTEM
®
PAGE - 124 090019-OP_r0
AA
9.5 INSTRUMENT PANEL
PA6040022ID_r0

Table of Contents

Related product manuals