EasyManua.ls Logo

Vigilant MX1-Au - Page 148

Default Icon
182 pages
Print Icon
To Next Page IconTo Next Page
To Next Page IconTo Next Page
To Previous Page IconTo Previous Page
To Previous Page IconTo Previous Page
Loading...
Vigilant MX1-Au Operator Manual Document: LT0439
Page 23 October 2018 Issue 1.73
11-22
A direct connection can be made from the MX1 to the T-Gen2 when
there are no field RZDU devices and a spare serial port (2, 3 or 4) on
MX1 is available. Connect J29 of T-Gen2 to the appropriate serial port on
the MX1 to match the serial port assigned to the RZDU port in the MX1
configuration.
MX1 CONTROLLER
RDU 2, Self
powered
RDU 1, Line Powered
TXRZDU
RXRZDU
0V
TXRZDU
RXRZDU
+V
0V
TXRZDU
RXRZDU
+V
0V
RXRZDU
0V
QE90
RDU 3, Line Powered
RX
0V
TX
VRZDU
Tx and Rx
crossover
between
Master and
first RDU
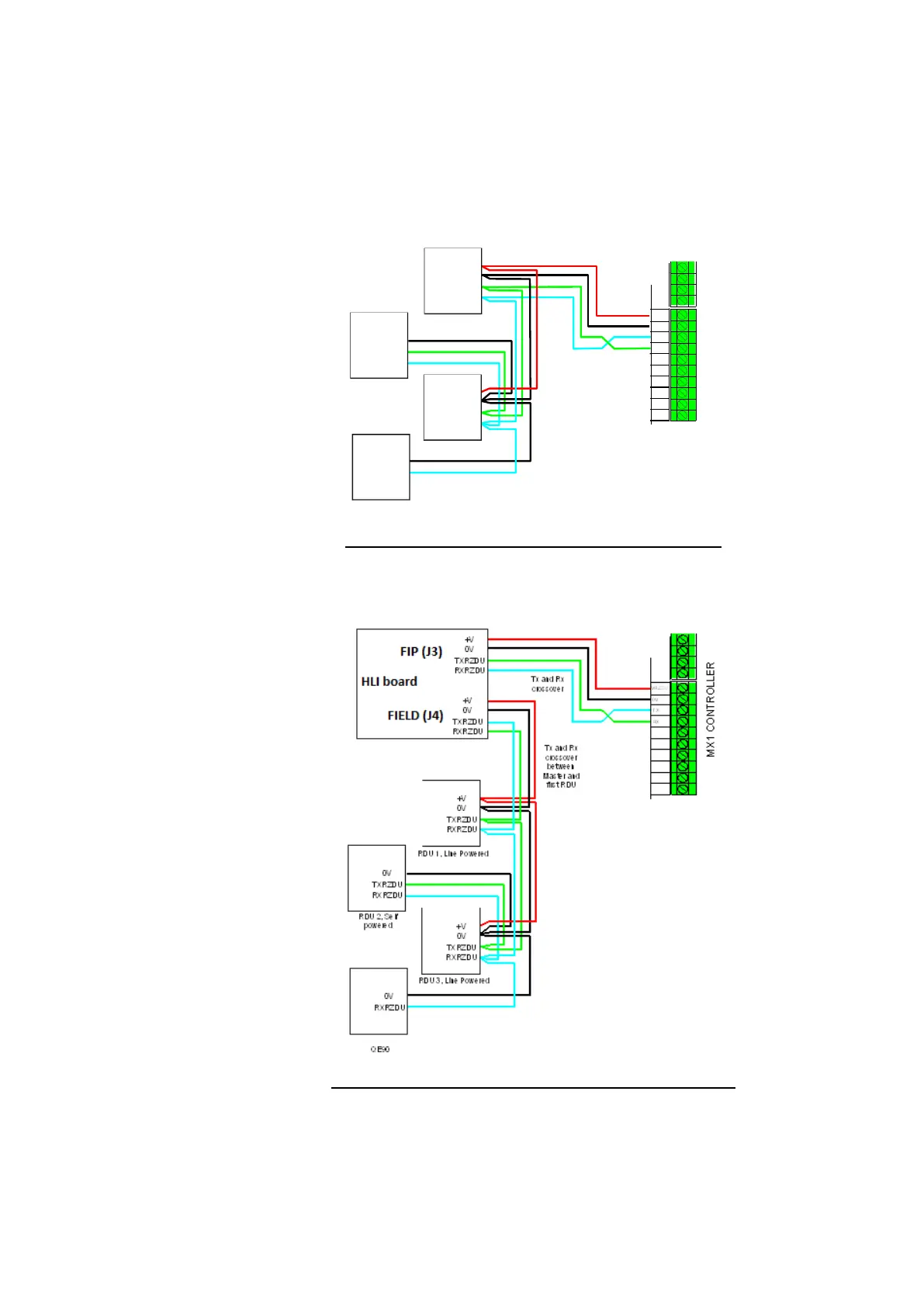
Figure 11-18A MX1 RZDU Wiring to RZDU Devices
Figure 11-18B Wiring to RZDU Devices FP1143 (HLI)
One Remote Fire Brigade Panel (RFBP) may be connected to the MX1
panel. An RS485 board and fuse loom need to be mounted in the MX1
cabinet to provide power and communications. Refer to the Remote FBP
Installation Instructions LT0532 for detailed instructions.
Remote
FBP

Table of Contents

Other manuals for Vigilant MX1-Au