EasyManua.ls Logo

Vigilant MX1-Au - Other MX1 Input and Output Wiring

Default Icon
182 pages
Print Icon
To Next Page IconTo Next Page
To Next Page IconTo Next Page
To Previous Page IconTo Previous Page
To Previous Page IconTo Previous Page
Loading...
Vigilant MX1-Au Operator Manual Document: LT0439
Page 23 October 2018 Issue 1.73
11-18
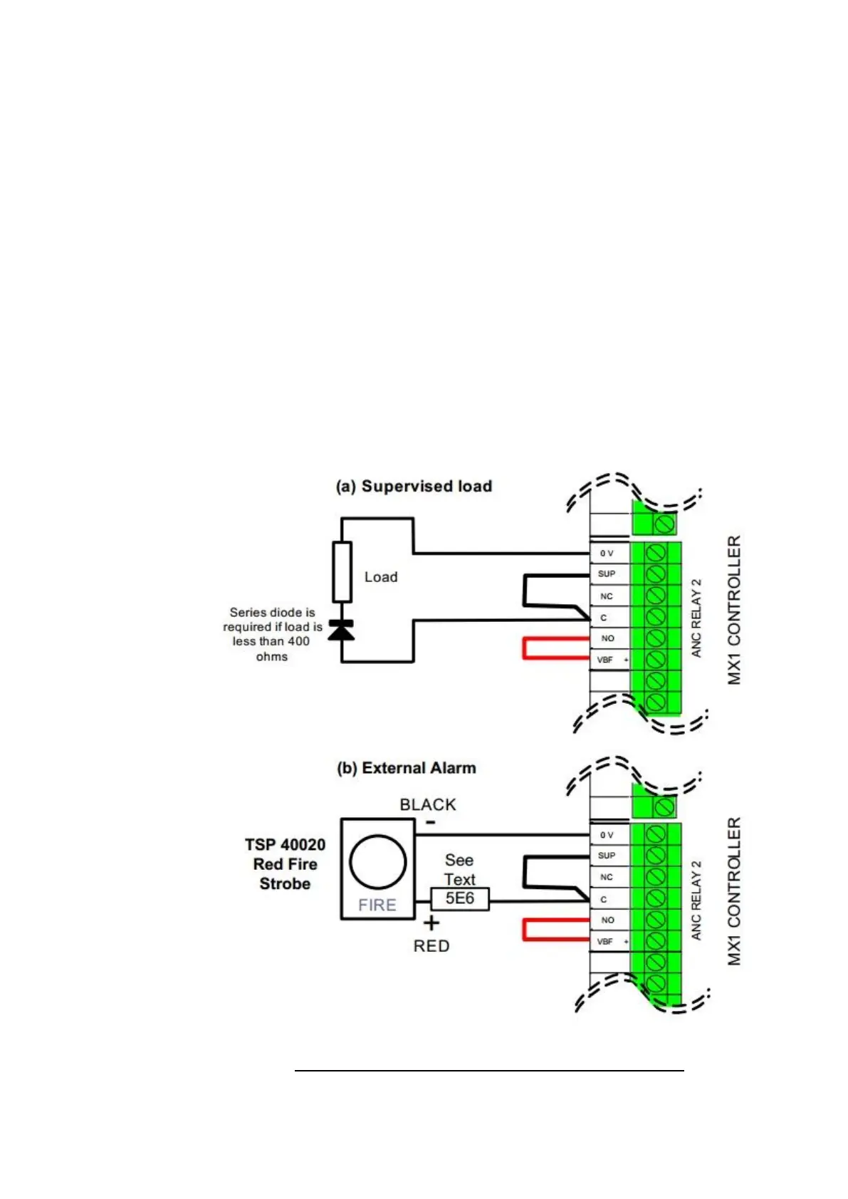
Ancillary relays ANC1 and ANC2 can each be used to control a single
load such as a strobe, relay solenoid, or actuator, and supervise the
wiring for short and open circuit faults, using the wiring shown in
Figure 11-14. Note, many strobes have a high in-rush current on power
on, and this must be limited, e.g., by installing a series resistor. Figure
11-14(b) shows a 5E6 (included in the MX1 bag of parts) that is suitable
for the 40020 Fire strobe. This must be installed at the strobe when
ANC1 or 2 is used to control it (or other strobes).
The load can be wired directly if its resistance is 400 to 18k. Loads of
less than 400 require a series diode for correct supervision. A suitable
3A diode is 1N5404. The minimum allowable load resistance is 25.
Figure 11-14 Wiring for Switched Load with Supervision
Other MX1 Input and Output Wiring
Ancillary
Relay Load
Supervision

Table of Contents

Other manuals for Vigilant MX1-Au