EasyManua.ls Logo

Viking Access Systems E-4 - Viking Loop Rack

Viking Access Systems E-4
48 pages
Print Icon
To Next Page IconTo Next Page
To Next Page IconTo Next Page
To Previous Page IconTo Previous Page
To Previous Page IconTo Previous Page
Loading...
VIKING TECHNICAL SUPPORT 1.800.908.0884
29
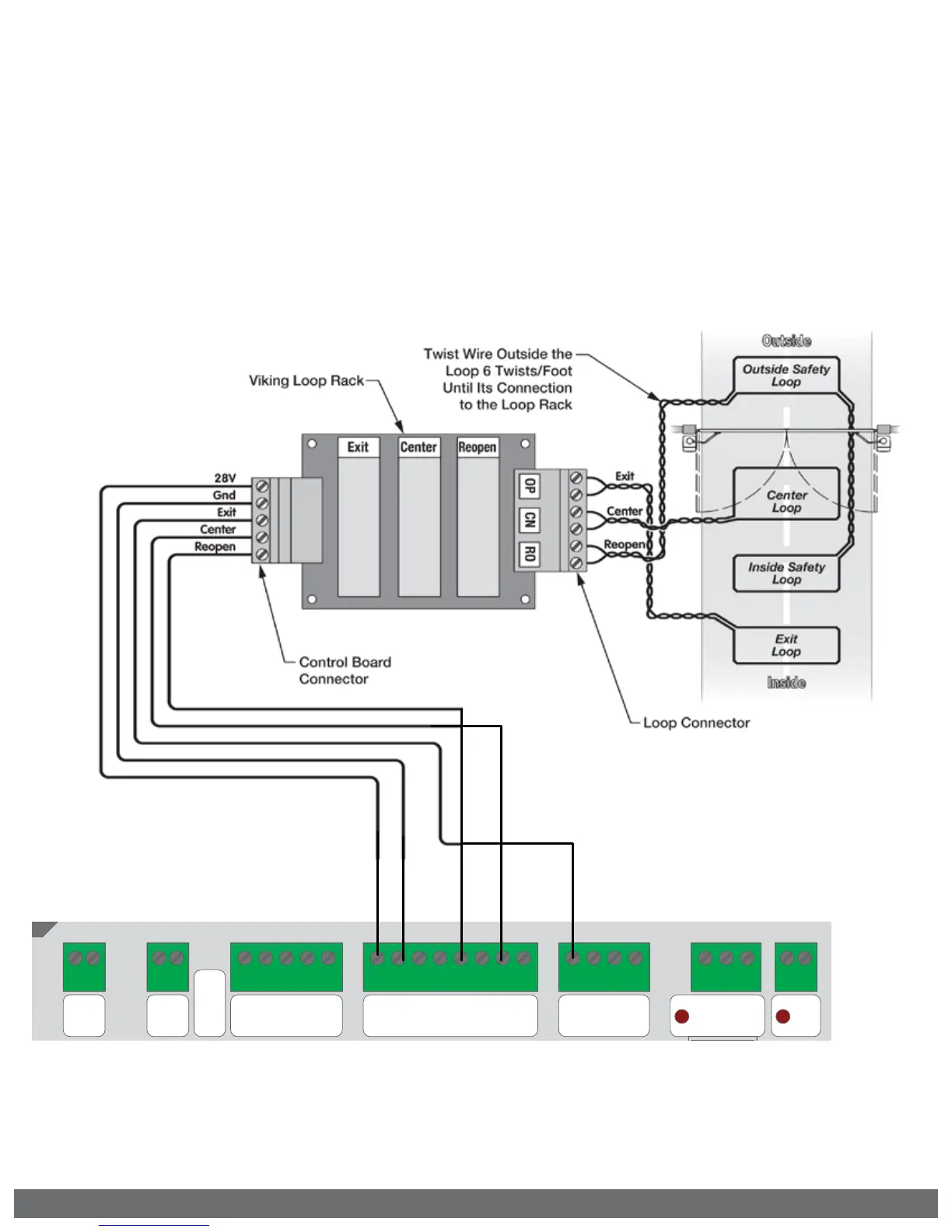
Viking Loop Rack
!
TECHNICAL TIP: This operator may be equipped with a pre-wired Loop Rack that plug-in type
loop detectors can be connected to. This provides a convenient alternative to the box
type loop detectors that would need to be wired to the control board. Viking does not
provide either type of loop detectors.
Loop Rack: Part # VA-LR
Loop Rack Wiring Harness: Part # VA-LRH
ACCESSORY CONNECTIONS
Aux.
Pwr
+
-
Magnetic Lock
N.O.
N.C.
COM
Guard Station
GND
Close
Stop
Open
Loop Connector
GND
Center
GND
ReOpen
GND
UL
GND
+28V
Radio Station
GND
GND
Radio
+28V
+28V
Class 2
Supply +28V
Master
Slave
Aux.
Pwr
+
-
Magnetic Lock
N.O.
N.C.
COM
Guard Station
GND
Close
Stop
Open
Loop Connector
GND
Center
GND
ReOpen
GND
UL
GND
+28V
Radio Station
GND
GND
Radio
+28V
+28V
Class 2
Supply +28V
Master
Slave

Related product manuals