EasyManua.ls Logo

VIPA CPU 314ST - Page 14

Default Icon
228 pages
Print Icon
To Next Page IconTo Next Page
To Next Page IconTo Next Page
To Previous Page IconTo Previous Page
To Previous Page IconTo Previous Page
Loading...
Please always use the CPU 317-2DP (6ES7
317-2AJ10-0AB0/V2.6) from Siemens of the hardware
catalog to configure this CPU from VIP
A. For the
project engineering, a thorough knowledge of the Sie-
mens SIMATIC Manager and the hardware configu-
rator from Siemens is required!
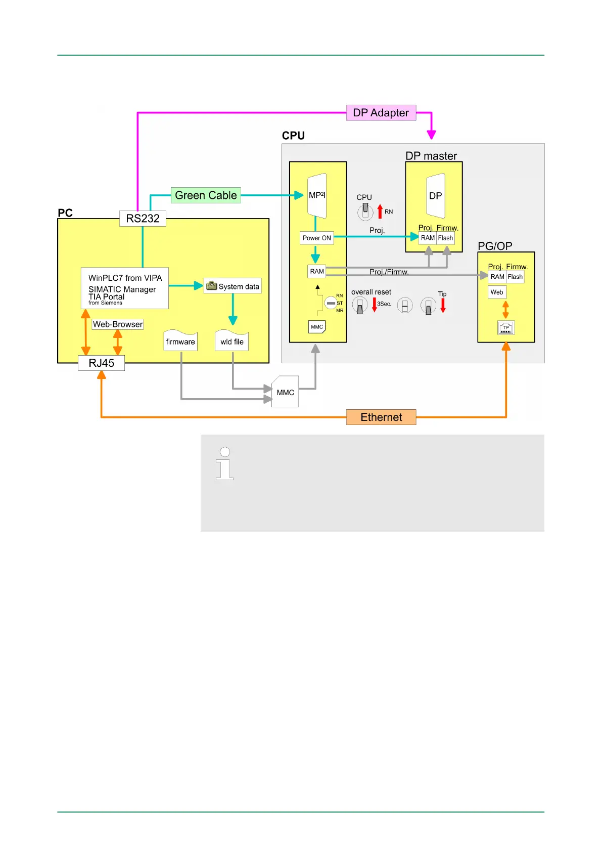
The CPU has an integrated memory. Information about the capacity
of the memory may be found at the front of the CPU. The memory is
divided into the following parts:
n Load memory 2Mbyte
n Code memory (50% of the work memory)
n Data memory (50% of the work memory)
n W
ork memory 512kbyte
There is the possibility to extend the work memory to its max-
imum printed capacity 2Mbyte by means of a MCC memory
extension card.
n The SPEED-Bus is a 32bit parallel bus developed from VIP
A.
n Via the SPEED-Bus you may connect up to 10 SPEED-Bus
modules to your CPU.
Access
Memory
SPEED-Bus
VIPA System 300SBasics
CPU 314-6CF03
HB140 | CPU | 314-6CF03 | GB | 16-43 14

Table of Contents

Related product manuals