EasyManua.ls Logo

Watlow F4P Series

Watlow F4P Series
124 pages
To Next Page IconTo Next Page
To Next Page IconTo Next Page
To Previous Page IconTo Previous Page
To Previous Page IconTo Previous Page
Loading...
Watlow Series F4P Features 7.17
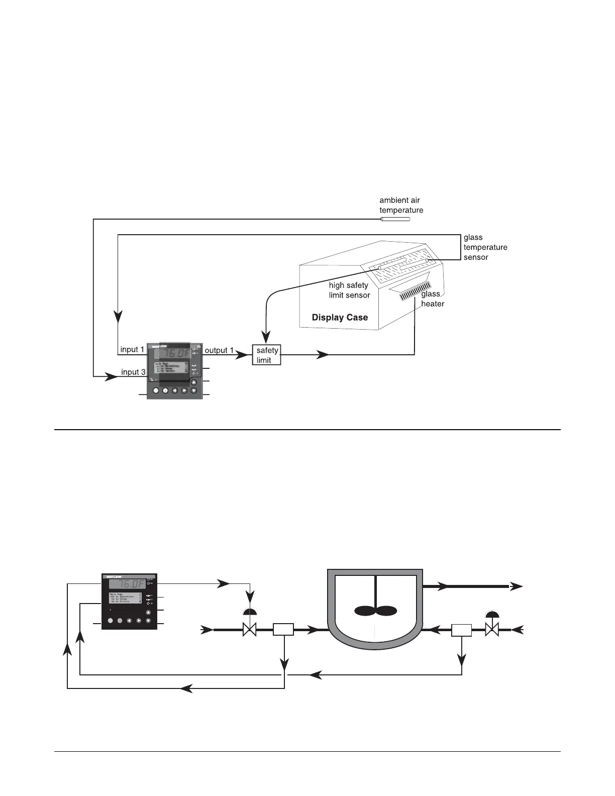
Differential Control
The Series F4P with the enhanced control option can be
configured to support differential control. Differential
control allows the Series F4P to control one process at a
difference to another process.
Analog input 3 is configured as the differential input.
The process value measured on input 3 is added to the
differential value [Set Diff.] to become the closed-loop
control set point [CTL SP]. Four additional differential
values (Dgt. Diff. Value) can be enabled remotely through
designated digital inputs. The nameable digital differen-
tial values are entered in the Operations Menu > Control
Set Points.
Differential control is only available in enhanced control
operation. Changes to the differential value or Analog In-
put 3 during auto-tune are not acted on until the auto-
tune process is completed or aborted.
Location in software: Setup Page > Analog Input 3 and
Setup Page > Digital Input x (1 to 4).
Ratio Control
The Series F4P with the enhanced control option can be
configured to support ratio control, which is especially
useful in applications that mix materials.
Analog input 3 is configured as the ratio input. The pro-
cess value measured on input 3 multiplied by the ratio
value [Set Ratio] becomes the closed loop control set
point [CTL SP]. Four additional ratio values (Dgt. Ratio
Value) can be enabled remotely through designated digi-
tal inputs. The nameable digital ratio values are entered
in the Operations Menu > Control Set Points.
Ratio control is only available in enhanced control opera-
tion. Changes to the ratio value or analog input 3 during
auto-tune are not acted on until the auto-tune process is
completed.
Location in software: Setup Page > Analog Input 3 and
Setup Page > Digital Input x (1 to 4).
Figure 7.17a — Differential Control Application Example.
Figure 7.17b — Ratio Control Application Example.
input 1
input 3
output 1
controlled flow
of pigment
flow
transmitter
motorized
valve
Mixing Tank
flow
transmitter
mixed paint
uncontrolled
flow of
unmixed
paint
F
4
1
2
1B
1B
1A
1A
A
M
/

Table of Contents

Related product manuals