EasyManua.ls Logo

WEG CFW501 - Page 108

WEG CFW501
149 pages
Print Icon
To Next Page IconTo Next Page
To Next Page IconTo Next Page
To Previous Page IconTo Previous Page
To Previous Page IconTo Previous Page
Loading...
CFW501 | 103
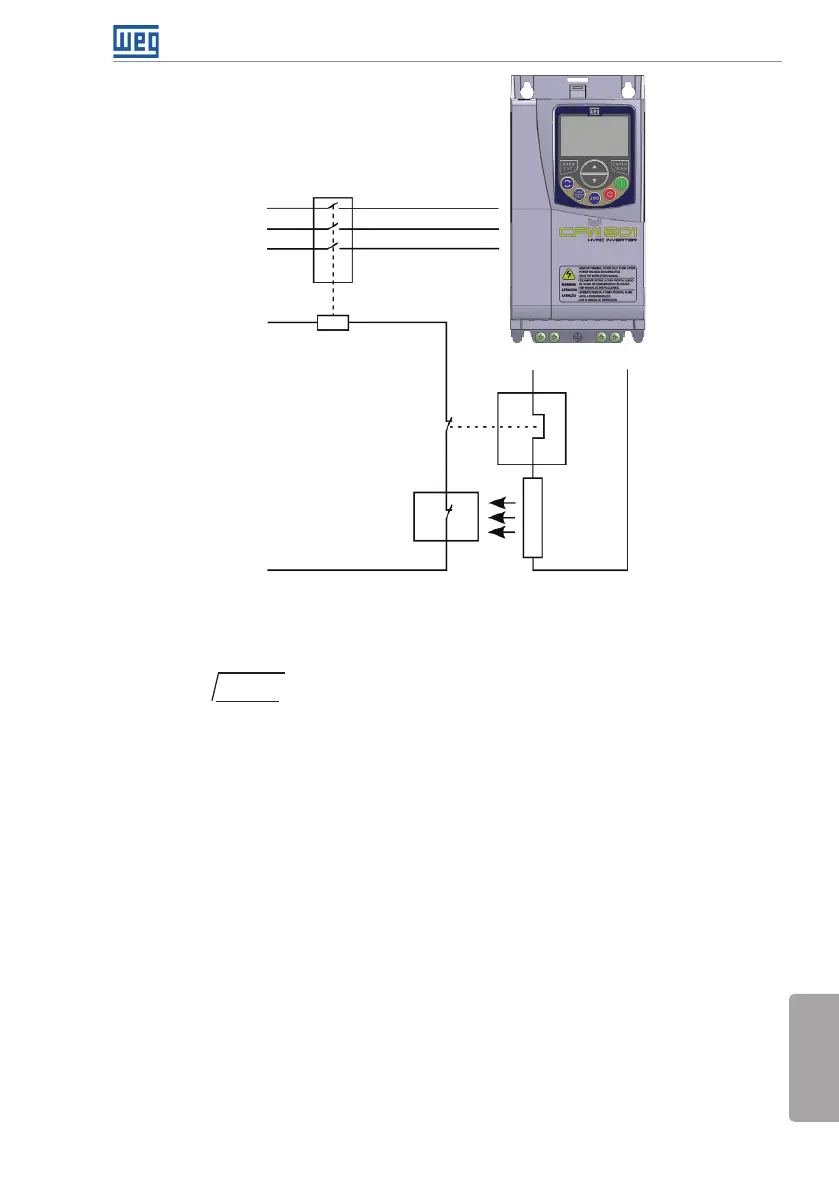
Instalação e Conexão
Português
Rede de
alimentação
Termostato
Resistor de
frenagem
Re
térmico
Alimentação
de comando
Contator
BR
+Ud
R
S
T
Figura 3.2: Conexão do resistor de frenagem
(*) A corrente eficaz de frenagem pode ser calculada através de:
I
eficaz
= I
max
.
t
br
(min)
5
sendo que: t
br
corresponde à soma dos tempos de atuação da frenagem durante o
mais severo ciclo de 5 minutos.
A potência do resistor de frenagem deve ser calculada em função do tempo de
desaceleração, da inércia da carga e do conjugado resistente.
Procedimento para uso da frenagem reostática:
Conecte o resistor de frenagem entre os bornes de potência +Ud e BR.
Utilize cabo trançado para a conexão. Separar estes cabos da fiação de sinal e
controle.
Dimensionar os cabos de acordo com a aplicação, respeitando as correntes máxima
e eficaz.
Se o resistor de frenagem for montado internamente ao painel do inversor, considerar
a energia do mesmo no dimensionamento da ventilação do painel.

Table of Contents

Related product manuals