EasyManua.ls Logo

Wheatstone IP-12 - Page 58

Default Icon
68 pages
Print Icon
To Next Page IconTo Next Page
To Next Page IconTo Next Page
To Previous Page IconTo Previous Page
To Previous Page IconTo Previous Page
Loading...
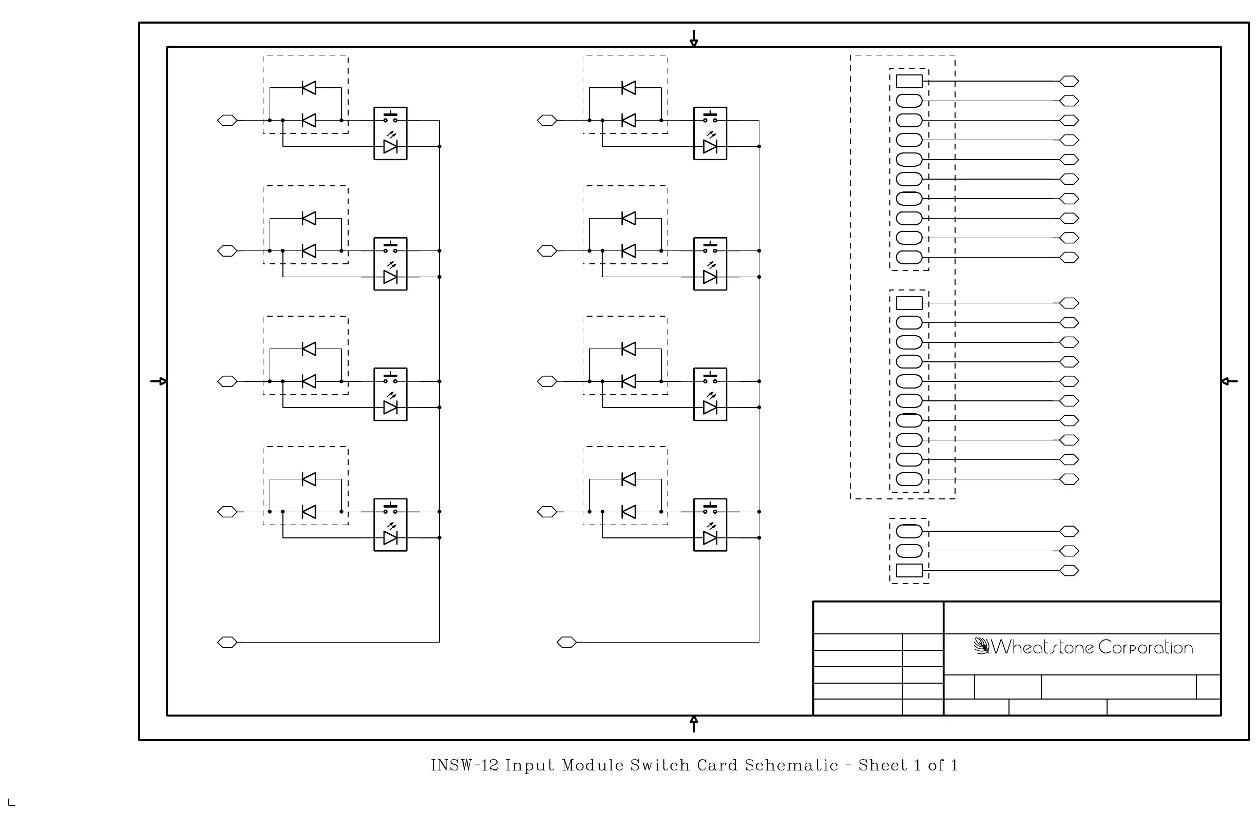
15S0001
IPSW-12
DB/WWP 4-5-11
W# 700972
1 OF 1IPSW-12A PCB
A
DB
WWP
IP-12 / Sep 2011
page 6 - 2
12
12
B
ISSUED
CHECKED
DRAWN
CONTRACT NO.
DWG. NO.FSCM NO.
SHEETSCALE
REVSIZE
DATEAPPROVALS
- SA UR US - Sergey Averin -
B
A
B
A
600 Industrial Drive
New Bern, NC 28562
1
2
3
4
5
6
7
8
9
10
CT2
1
2
3
CT1
12
34
SW6
43
21
SW7
43
21
SW8
43
21
SW5
43
21
SW2
43
21
SW3
43
21
SW4
43
21
SW1
4148 D15
4148 D14
4148 D13
4148 D16
4148 D11
4148 D10
4148 D9
4148 D12
1N914 D5 1N914 D1
1N914 D6 1N914 D2
1N914 D7 1N914 D3
1N914 D8 1N914 D4
1
2
3
4
5
6
7
8
9
10
CT3
X3
X5
FADR1
GND
FADREF
Y02
Y01
X4
X2
X1
FADR1
GND
FADREF
X3
X4
X2
X1
X3
X4
X2
X1
Y01 Y02
X3
X5
FADR1
GND
FADREF
Y02
Y01
X4
X2
X1
AUD
B
TB
OL
PGM
A
CUE
AUX
INSTALL ONE
INSTALL ONE
INSTALL ONE
INSTALL ONEINSTALL ONE
INSTALL ONE
INSTALL ONE
INSTALL ONE
INSTALL ONE

Table of Contents