EasyManua.ls Logo

Wheatstone IP-12 - Page 60

Default Icon
68 pages
Print Icon
To Next Page IconTo Next Page
To Next Page IconTo Next Page
To Previous Page IconTo Previous Page
To Previous Page IconTo Previous Page
Loading...
WWP
DB
C
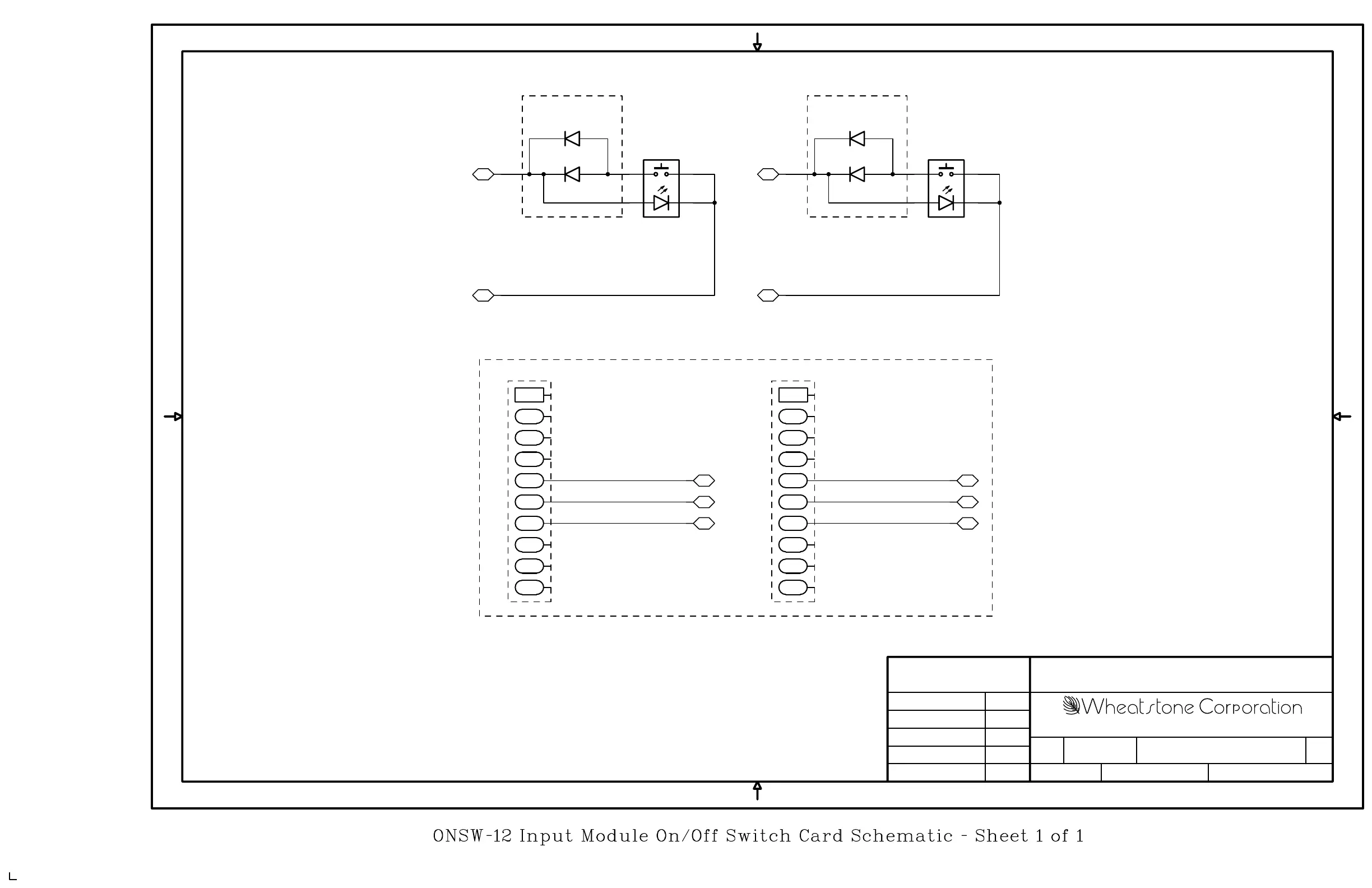
ONSW-12C PCB 1 OF 1
W# 700973
6-12-12DB/WWP
ONSW-12
15S0002
IP-12 / Jun 2012
page 6 - 4
12
12
B
ISSUED
CHECKED
DRAWN
CONTRACT NO.
DWG. NO.FSCM NO.
SHEETSCALE
REVSIZE
DATEAPPROVALS
- SA UR US - Sergey Averin -
B
A
B
A
New Bern, NC 28562
600 Industrial Drive
4148 D4 4148 D3
CT2
10
9
8
7
6
5
4
3
2
1
12
34
SW2
1N914 D1
SW1
43
21
1N914 D2
CT1
10
9
8
7
6
5
4
3
2
1
X5 X5
X5
Y02
Y01
Y01 Y02
X5
Y02
Y01
INSTALL ONE INSTALL ONE
ON OFF
INSTALL ONE
ON/OFF SWITCH PCB W/ 10 PIN RIBBON CONNECTOR (THRU AND SMD)

Table of Contents