EasyManua.ls Logo

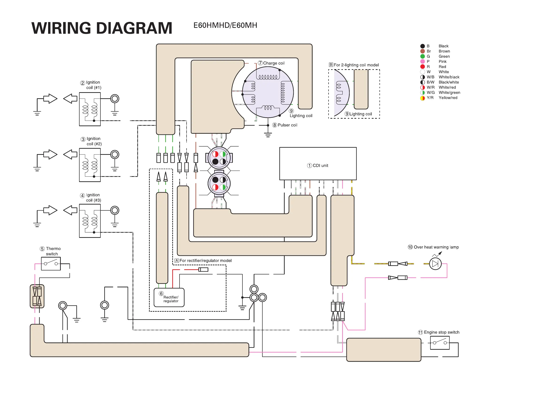
Yamaha e60hmhd - Wiring Diagram

Yamaha e60hmhd
488 pages
Print Icon
To Next Page IconTo Next Page
To Next Page IconTo Next Page
To Previous Page IconTo Previous Page
To Previous Page IconTo Previous Page
Loading...
#2
W/G
B
W/B
W/R
#1
W/GW/R
W/B
W/G
W/R
Y/R Y/R
B/W
B/W
B/W
B/W
B/W
B/W
B
B
W
B
P
P
PW
P
B
R
B
B
B B
P
P B
B
G G G
B
Br
Br
G
G
G
G
B
B
B/W
W
Y/RB/W
B/W
B/W
W/B
BB
W/RW/G
Br W
P
GG
B/W
B/W
Br
#3
W/G
W/R
W/B
W/B
W/R
B
W/G

Table of Contents

Related product manuals