EasyManua.ls Logo

Yamaha F200B - Removing the Cylinder Head; Disassembling the Cylinder Head

Yamaha F200B
579 pages
Print Icon
To Next Page IconTo Next Page
To Next Page IconTo Next Page
To Previous Page IconTo Previous Page
To Previous Page IconTo Previous Page
Loading...
7-61
POWR
Power unit
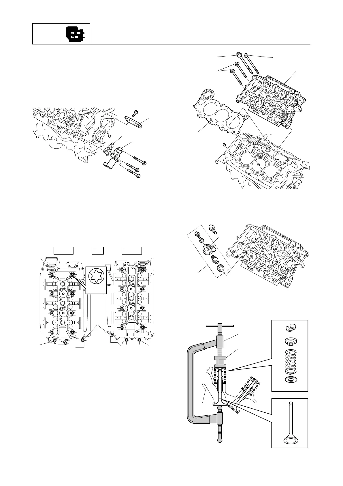
Removing the cylinder head
1. Remove the fuel rails. See Removing
the fuel injector (6-45).
2. Remove the engine hangers 1.
3. Remove the OCVs 2 and filters 3.
4. Loosen the cylinder head bolts 4, 5,
and 6 in the order 1, 2, and so on, and
then remove the cylinder heads 7 and
gaskets 8. NOTICE: Be careful not to
scratch or damage the mating sur-
faces of the cylinder head and cylin-
der block.
Disassembling the cylinder head
1. Remove the anode assemblies 1.
2. Remove the intake and exhaust valves
using the special service tools 2 and 3.
2
3
1
STBDPORT UP
(T55)
1
1
2
2
3
3
45
67
89
0
5
6
9
0
A
4
8
A
6
6
4
4
5
7
4
6
5
7
8
1
2
3

Table of Contents

Other manuals for Yamaha F200B

Related product manuals