EasyManua.ls Logo

Yamaha F200B - Starter Motor

Yamaha F200B
579 pages
Print Icon
To Next Page IconTo Next Page
To Next Page IconTo Next Page
To Previous Page IconTo Previous Page
To Previous Page IconTo Previous Page
Loading...
7-27
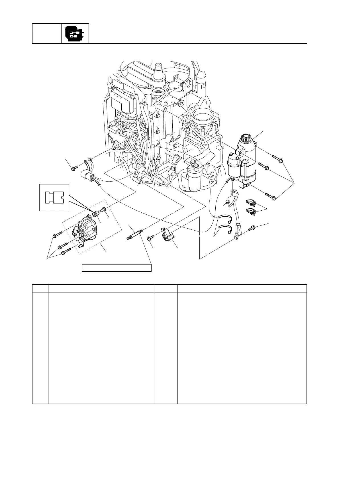
POWR
Power unit
Starter motor
No. Part name Qty Remarks
1 Starter motor 1
2Bolt 3 M8 × 45 mm
3Nut 1
4 Holder 2
5 Plastic tie 2
6Bolt 1 M8 × 16 mm
7Terminal 1
8Bolt 1 M8 × 20 mm
9 Terminal stud bolt 1
10 APS 1
11 Collar 3
12 Grommet 3
13 Bolt 3 M6 × 35 mm
14 Bolt 1 M6 × 16 mm
9
10
14
13
11
12
1
2
7
3
8
6
4
5
26 N
·
m (2.6 kgf
·
m, 19.2 ft
·
Ib)

Table of Contents

Other manuals for Yamaha F200B

Related product manuals