EasyManua.ls Logo

Yamaha F200B - Page 94

Yamaha F200B
579 pages
Print Icon
To Next Page IconTo Next Page
To Next Page IconTo Next Page
To Previous Page IconTo Previous Page
To Previous Page IconTo Previous Page
Loading...
3-25
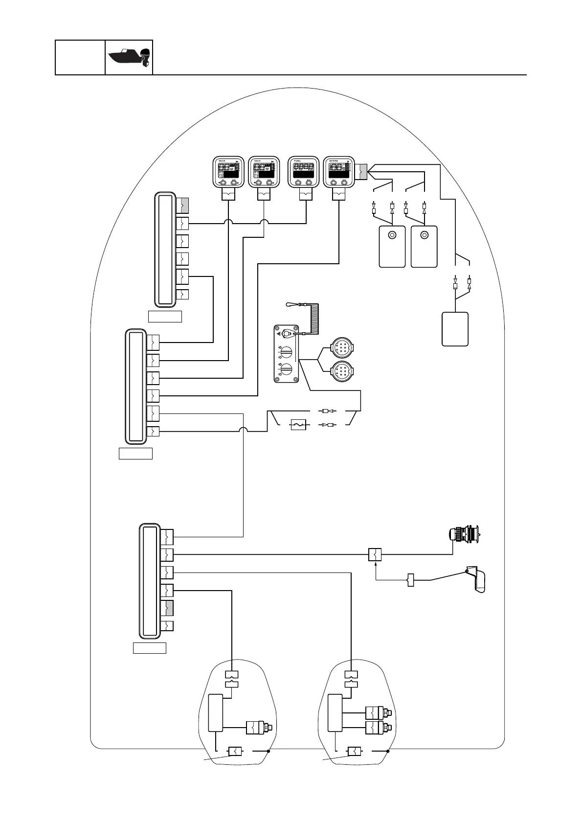
RIG
GING
Rigging information
B P B P/B
WL
P PP P
YY
B
Y
B
6P
4P
4P
4P
6P
2P
Hub 3
7
8
8
A
a
b
b
b
a
c
6P
4P
4P
4P
6P
2P
Hub 2
a
b
b
b
a
c
6P
4P
4P
4P
6P
4P
2P
Hub 1
7
a
b
b
b
a
c
4P 4P 4P
6P
B
4P
B
CD
6
G
5
3
4
1
2
4P
2
6
5
4
1
4P
0
9
F
ÈÉ
EE
(*1)
(*1)
(*1)
(*1)

Table of Contents