EasyManua.ls Logo

Yamaha PM5D - Page 275

Yamaha PM5D
367 pages
Print Icon
To Next Page IconTo Next Page
To Next Page IconTo Next Page
To Previous Page IconTo Previous Page
To Previous Page IconTo Previous Page
Loading...
PM5D/PM5D-RH Owner’s Manual Reference section 275
Information shown
in the display
Function
menu
Global
functions
Output
functions
Input
functions
Appendices
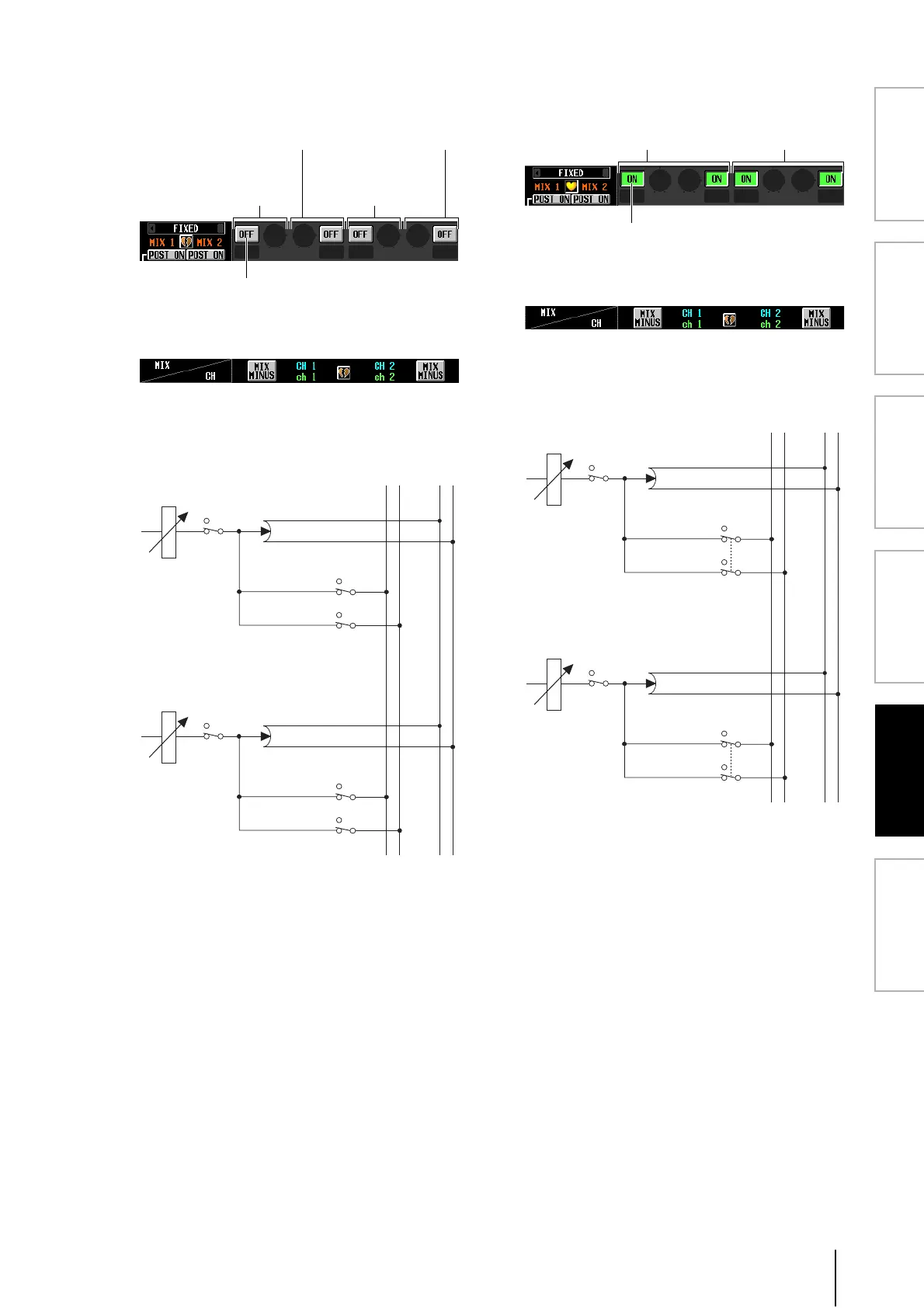
Type = FIXED, Pairing = disabled Type = FIXED, Pairing = enabled
Input channel 1
MIX bus 1
Input channel 1
MIX bus 2
Input channel 2
MIX bus 1
Input channel 2
MIX bus 2
SEND ON/OFF button
On/off switch for the signal sent from
input channels to each MIX bus.
MIX1
MIX2
STEREO L
STEREO R
……
……
FADER
INPUT CHANNEL 1
ON
ON
ON
PAN
MIX1 (FIX)
MIX2 (FIX)
FADER
INPUT CHANNEL 2
ON
ON
ON
PAN
MIX1 (FIX)
MIX2 (FIX)
Input channel 1
MIX buses 1/2
Input channel 2
MIX buses 1/2
SEND ON/OFF button
On/off switch for the signal sent from
input channels to the two MIX buses.
MIX1
MIX2
STEREO L
STEREO R
……
……
FADER
INPUT CHANNEL 1
ON
ON
PAN
MIX1/2 (FIX)
FADER
INPUT CHANNEL 2
ON
ON
PAN
MIX1/2 (FIX)

Table of Contents