EasyManua.ls Logo

Yamaha PM5D - Page 48

Yamaha PM5D
367 pages
Print Icon
To Next Page IconTo Next Page
To Next Page IconTo Next Page
To Previous Page IconTo Previous Page
To Previous Page IconTo Previous Page
Loading...
6 Output channel operations
48 PM5D/PM5D-RH Owner’s Manual Operating section
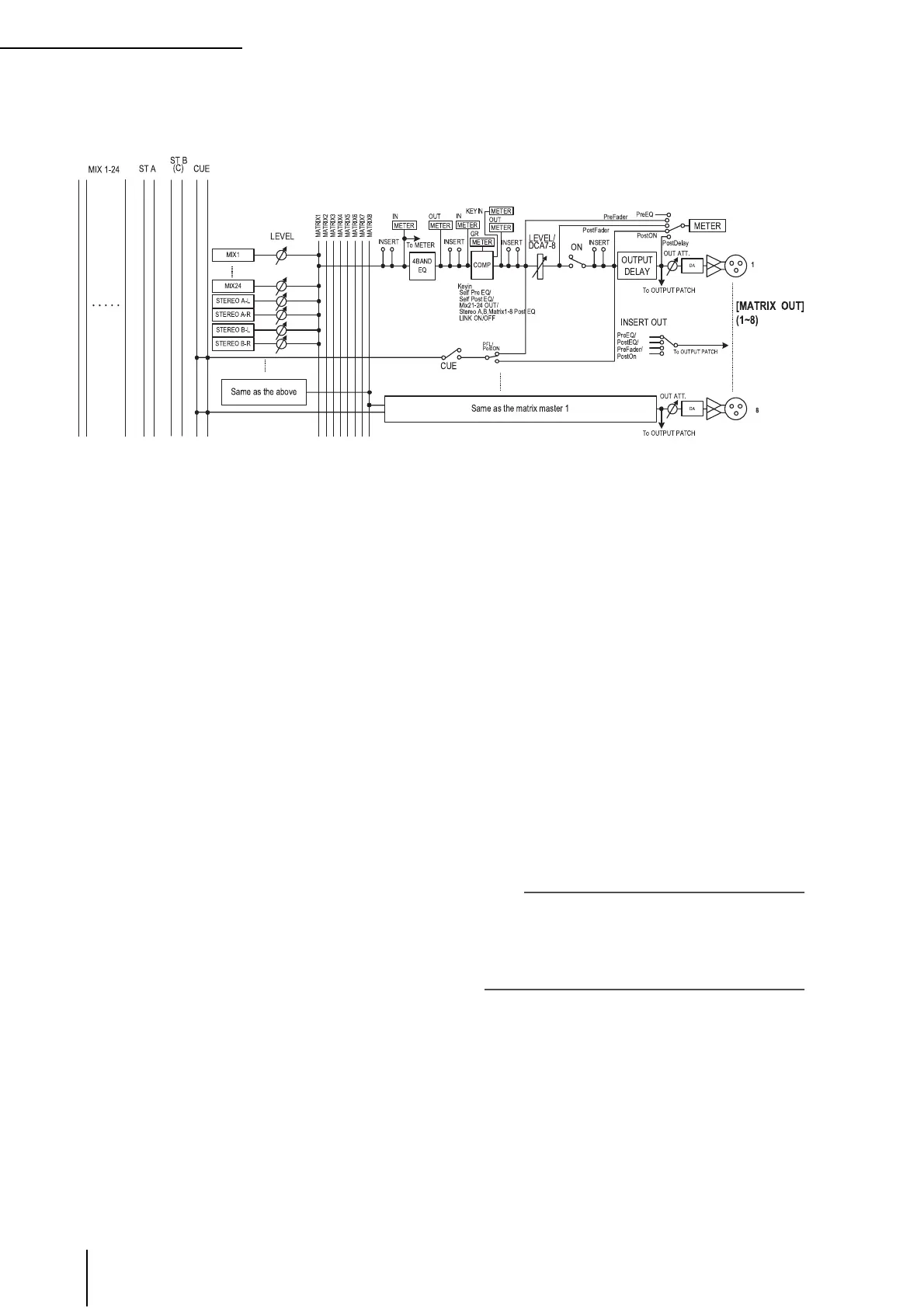
MATRIX channels 1–8
The signals sent from MIX channels or STEREO A/B channels to MATRIX buses are sent via these channels to the MATRIX
OUT jacks.
•8 BAND EQ (8 band equalizer) (MIX channels and
STEREO A/B channels)
This is an eight-band (four upper bands + four lower
bands) parametric EQ.
•4 BAND EQ (4 band equalizer) (MATRIX channels)
This is a four-band (HIGH, HIGH MID, LOW MID,
LOW) parametric EQ.
COMP (Compressor)
This is a dynamics processor that can be used as a com-
pressor, expander, or limiter.
LEVEL
This adjusts the output level of the channel.
ON (On/off)
This switches the channel on/off. If this is off, that
channel will be muted.
OUTPUT DELAY
This delays the output signal. It can be used to make
fine adjustments in the relative timing between
channels.
OUT ATT. (Output attenuator)
This attenuates or boosts the level of the channel’s out-
put signal.
METER
This meter indicates the output level of the output
channel. The level detection point can be switched.
MIX to STEREO (MIX channels)
This is an on/off switch for the signal sent from the
MIX channel to the STEREO bus.
to MATRIX (MIX channels and STEREO A/B
channels)
This is an on/off switch for the signal sent from the
MIX channel to the MATRIX bus.
PAN (MIX channels)
This adjusts the panning of the signal sent from the
MIX channel to the STEREO bus.
BAL (Balance) (STEREO channels)
This adjusts the L/R volume balance of the STEREO
channel.
LCR (Left/Center/Right) (MIX channels)
This sends the three-channel signal (left/right channels
and a center channel) to the STEREO bus.
INSERT
Here you can patch the desired output port and input
port to insert-out/insert-in, allowing an external effect
processor or other device to be inserted. You can
switch the insert-out and insert-in locations.
Hint
MIX channels 1–24, STEREO A/B channels, and MATRIX
channels 1–8 are always connected to MIX OUT jacks 1–24,
STEREO OUT jacks A/B, and MATRIX OUT jacks 1–8
respectively. However, you can also make output patch set-
tings to send the signals of these output channels to slots 1–4
or the 2TR OUT DIGITAL jacks.

Table of Contents

Other manuals for Yamaha PM5D

Related product manuals