EasyManua.ls Logo

Zeiss Axio Observer 5 - Page 155

Zeiss Axio Observer 5
192 pages
Print Icon
To Next Page IconTo Next Page
To Next Page IconTo Next Page
To Previous Page IconTo Previous Page
To Previous Page IconTo Previous Page
Loading...
OPERATION
Axio Observer Illumination and contrast techniques ZEISS
12/2016 431004-7244-001 155
5.12.4.3 Setting up PlasDIC
The microscope has been started properly as described in section 4.
Place a specimen.
Set the specimen for transmitted light brightfield.
Select a PlasDIC objective.
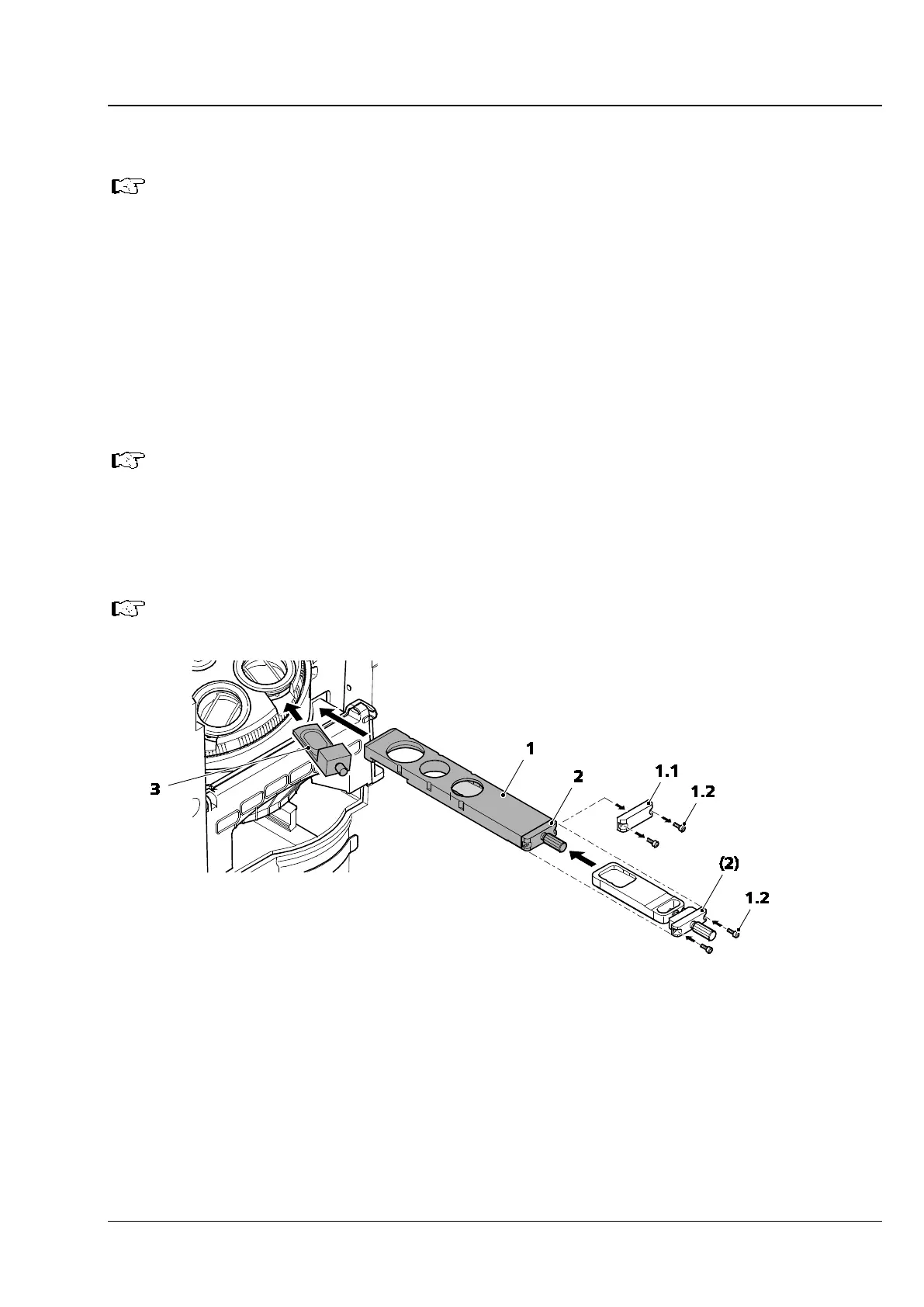
Insert the PlasDIC slider (Fig. 153/3) into the DIC slot of the objectives to be used and additionally
swivel or slide an analyzer, e.g. the analyzer module Pol ACR P&C of the reflector turret or the
analyzer slider, fixed, into the optical path.
or
Insert the 3-position contrast slider (Fig. 153/1) with fitted PlasDIC module (Fig. 153/2) into the slot
below the nosepiece.
If the PlasDIC module has not yet been fitted into the 3-position contrast slider:
Loosen the screws (Fig. 153/1.2) on the cover (Fig. 153/1.1
) of the contrast slider and
remove the cover.
Insert the PlasDIC module (Fig. 153/2
) into the contrast slider and fix with the screws
(Fig. 153/1.2).
When using the PlasDIC module in the 3-position contrast slider an analyzer is not required.
Fig. 153 Setting the PlasDIC contrast
Open the condenser aperture diaphragm fully.
Swivel in the slit aperture 3.5 mm PlasDIC (or 5 mm, depending on objective and condenser) on the
condenser including the modulator disk.
When switching from bright field to PlasDIC, the brightness should be increased.
Adjust the contrast using the knurled screw on the PlasDIC slider or PlasDIC module.
Structures can be visualized in relief or pseudo-dark field.
Relief offers the best contrast.

Table of Contents

Other manuals for Zeiss Axio Observer 5

Related product manuals