EasyManua.ls Logo

ABB COMMANDER 351 - Level 4 - Alarm Trip Points

ABB COMMANDER 351
104 pages
Print Icon
To Next Page IconTo Next Page
To Next Page IconTo Next Page
To Previous Page IconTo Previous Page
To Previous Page IconTo Previous Page
Loading...
34
8
4.00...4.08
3 SET UP MODE
•1 Not displayed if alarm type set to 'None' – see Section 4.4, Alarms/ Alarm Type.
•2 Applies to PID output with single or heat/cool outputs.
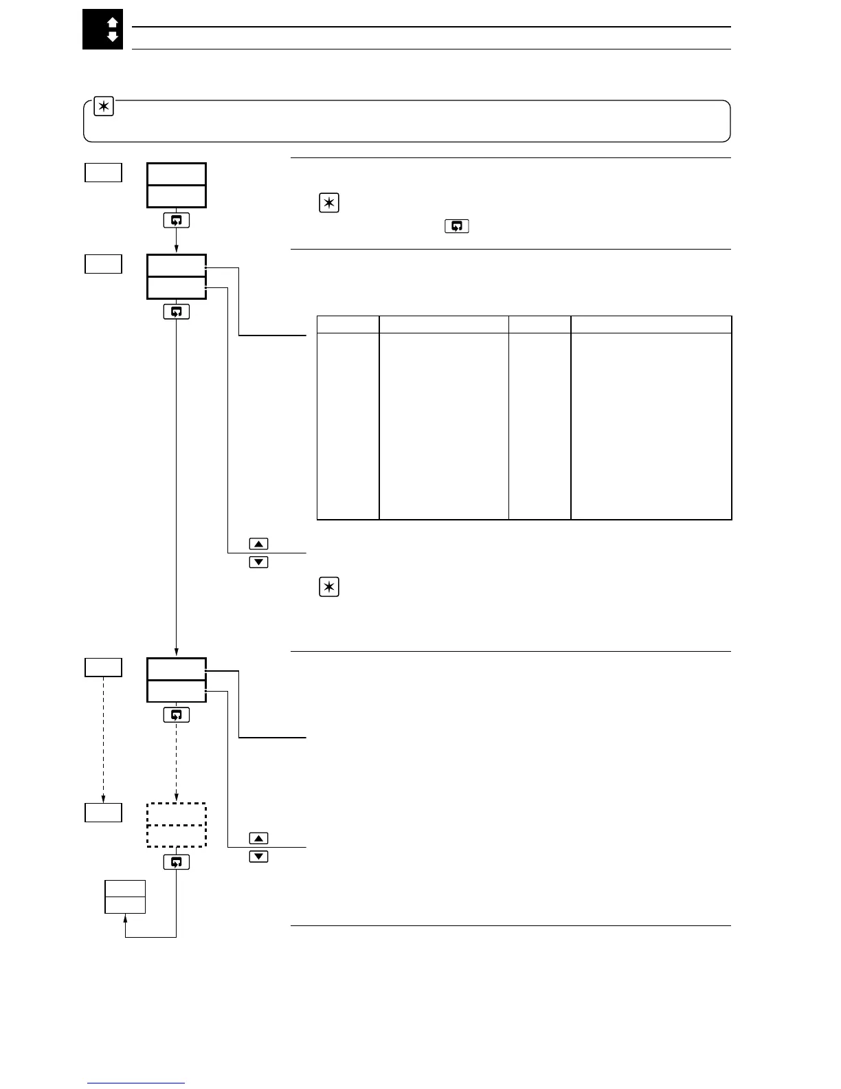
3.4 Level 4 Alarm Trip Points
Note. Level 4 is not applicable if all alarm types are set to 'None' – see Section 4.4, Alarms/
Alarm Type.
triP
LEV.4
4.00
4.08
0
2.xxx
4.02
0
1.xxx
4.01
0
8.xxx
•1
•1
•1
LEV.4
trIP
yalpsiDnoitpircseDyalpsiDnoitpircseD
ENON
enoN
3PL
3P/IssecorPwoL
VPH
VP,ssecorPhgiH
OH
tuptuOhgiH2
VPL
VP,ssecorPwoL
OL
tuptuOwoL2
PLH
VP,hctaLhgiH
1bH
hgiH1kcolBhtaM
PLL
VP,hctaLwoL
1bL
woL1kcolBhtaM
dH
noitaiveDhgiH
2bH
hgiH2kcolBhtaM
dL
noitaiveDwoL
2bL
woL2kcolBhtaM
1PH
1P/IssecorPhgiH
3bH
hgiH3kcolBhtaM
1PL
1P/IssecorPwoL
3bL
woL3kcolBhtaM
2PH
2P/IssecorPhgiH
4bH
hgiH4kcolBhtaM
2PL
2P/IssecorPwoL
4bL
woL4kcolBhtaM
3PH
3P/IssecorPhgiH
Level 4 Alarm Trip Points
Note. To select this frame from anywhere in this page,
press and hold the key for a few seconds.
Alarm 1 Trip
Alarm Number and Type
Trip Value
[In engineering units]
Note. When an auto/manual station template or analog
backup template is selected, Alarm 1 is set automatically as a
low process alarm on Analog Input 2.
Alarm 2 to Alarm 8 Trip
Alarm Number and Type
See Alarm 1.
Trip Value
[In engineering units]
Return to top of page.

Table of Contents

Related product manuals