EasyManua.ls Logo

ABB COMMANDER 351 - Level 5 - Valve Setup

ABB COMMANDER 351
104 pages
Print Icon
To Next Page IconTo Next Page
To Next Page IconTo Next Page
To Previous Page IconTo Previous Page
To Previous Page IconTo Previous Page
Loading...
35
8
5.00...5.04
3 SET UP MODE
Level 5 Valve Setup
Note. To select this frame from anywhere in this page,
press and hold the key for a few seconds.
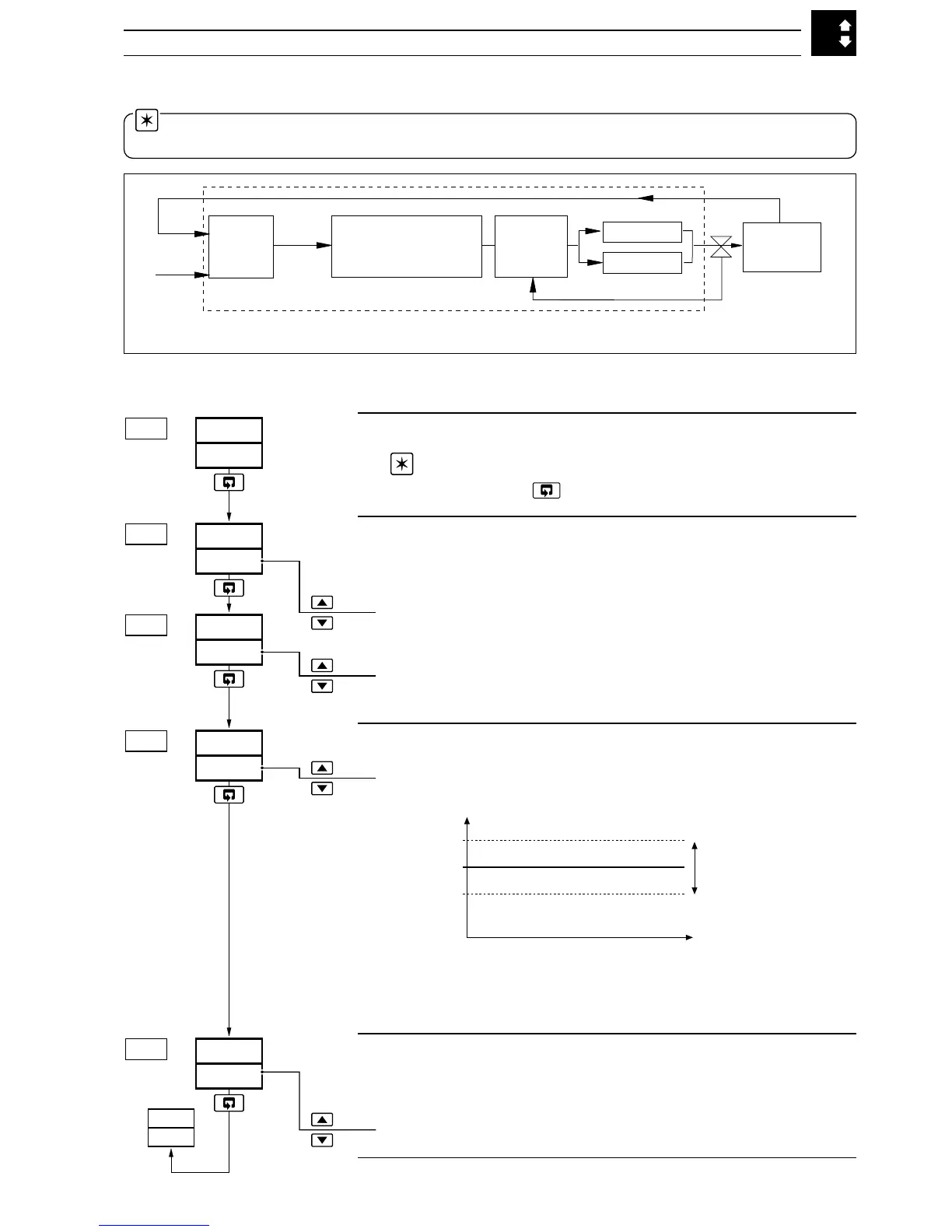
Motorized Valve Ratio and Bias
Desired valve position = (Ratio x PID output) + Bias
Motorized Valve Ratio
[0.01 to 10.00]
Motorized Valve Bias
[–100.0 to 100.0%]
Motorized Valve Deadband
[0.0 to 100% of the position feedback span]
Example. If the valve is set to be driven to the 50% open position
and the deadband is set to 4%, the motor stops driving when the
position feedback is 48%. The deadband is between 48% and 52%.
Regulator Travel Time
The time entered is compared with the actual travel time. If the
valve is sticking an error message is generated.
[0 to 5000 seconds, 0 = no check]
Return to top of page.
U.LU.E
LEV.5
5.00
1..0
d.bnd
5.03
0
VbIA
5.02
0
VrAt
5..01
30
r.trU.
5.04
Position %
Required valve position
Deadband
(centered around
required position)
LEV.5
VLVE
PID
Control
Terms
PV
SPt
Process
Open relay
Valve
Controller
Position Feedback
Close relay
PID
Output
(PID O/P x
V.rAt)
+
V.bIA
3.5.1 Valve Setup (Feedback Types)
3.5 Level 5 Valve Setup
Note. Level 5 is applicable only for a motorized valve output type – see Section 4.2, Basic
Configuration/ Output Type.
Fig. 3.3 Motorized Valve Output with Feedback Schematic

Table of Contents

Related product manuals