EasyManua.ls Logo

ABB IRB 6620 - Page 83

ABB IRB 6620
360 pages
Print Icon
To Next Page IconTo Next Page
To Next Page IconTo Next Page
To Previous Page IconTo Previous Page
To Previous Page IconTo Previous Page
Loading...
xx0400000715
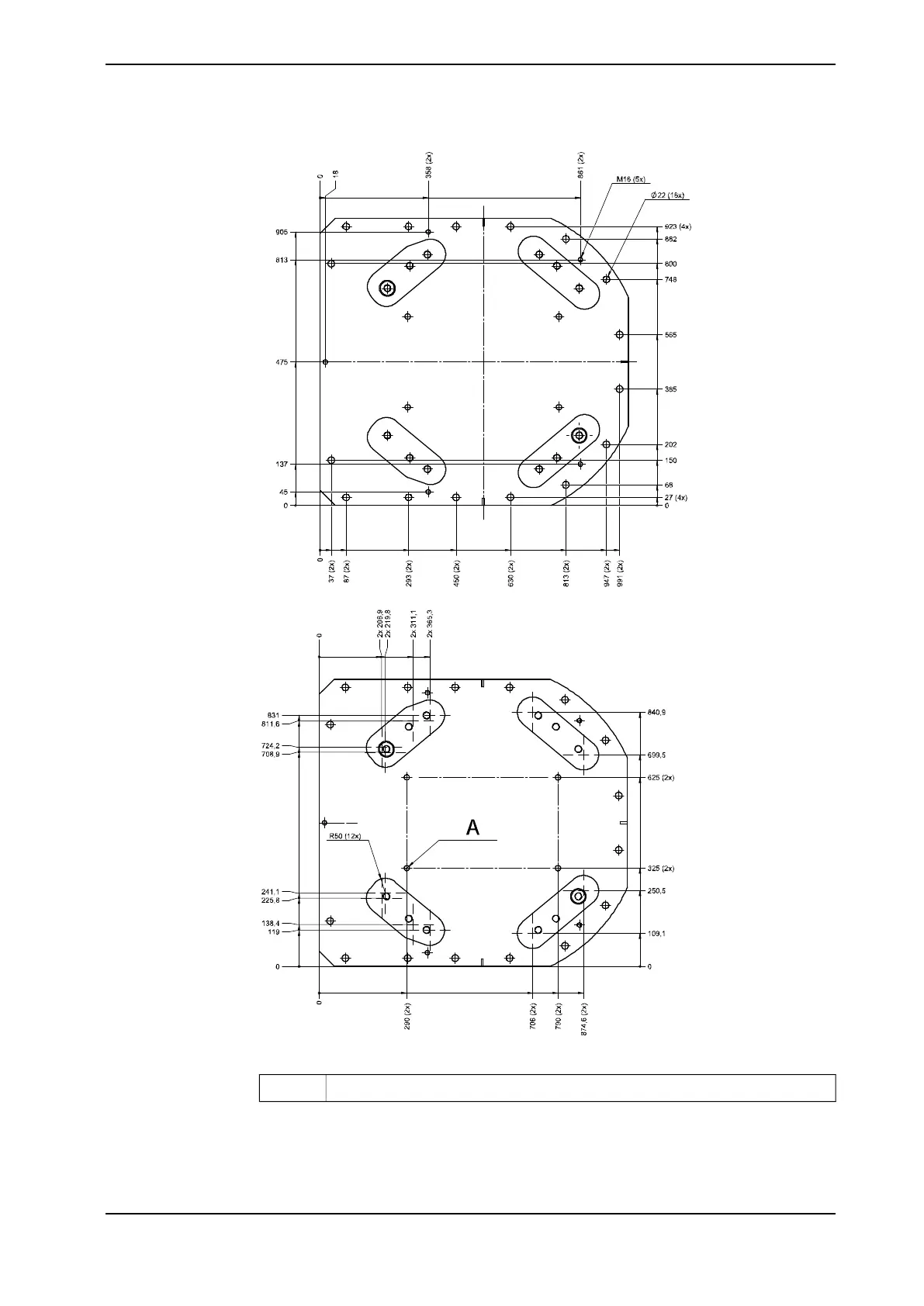
Four holes for alternative clamping, 4x Ø18A
Continues on next page
Product manual - IRB 6620 83
3HAC027151-001 Revision: T
© Copyright 2006-2018 ABB. All rights reserved.
2 Installation and commissioning
2.5.6 Securing the base plate
Continued

Table of Contents

Other manuals for ABB IRB 6620

Related product manuals