EasyManua.ls Logo

ABB IRB 6660 - Page 87

ABB IRB 6660
396 pages
Print Icon
To Next Page IconTo Next Page
To Next Page IconTo Next Page
To Previous Page IconTo Previous Page
To Previous Page IconTo Previous Page
Loading...
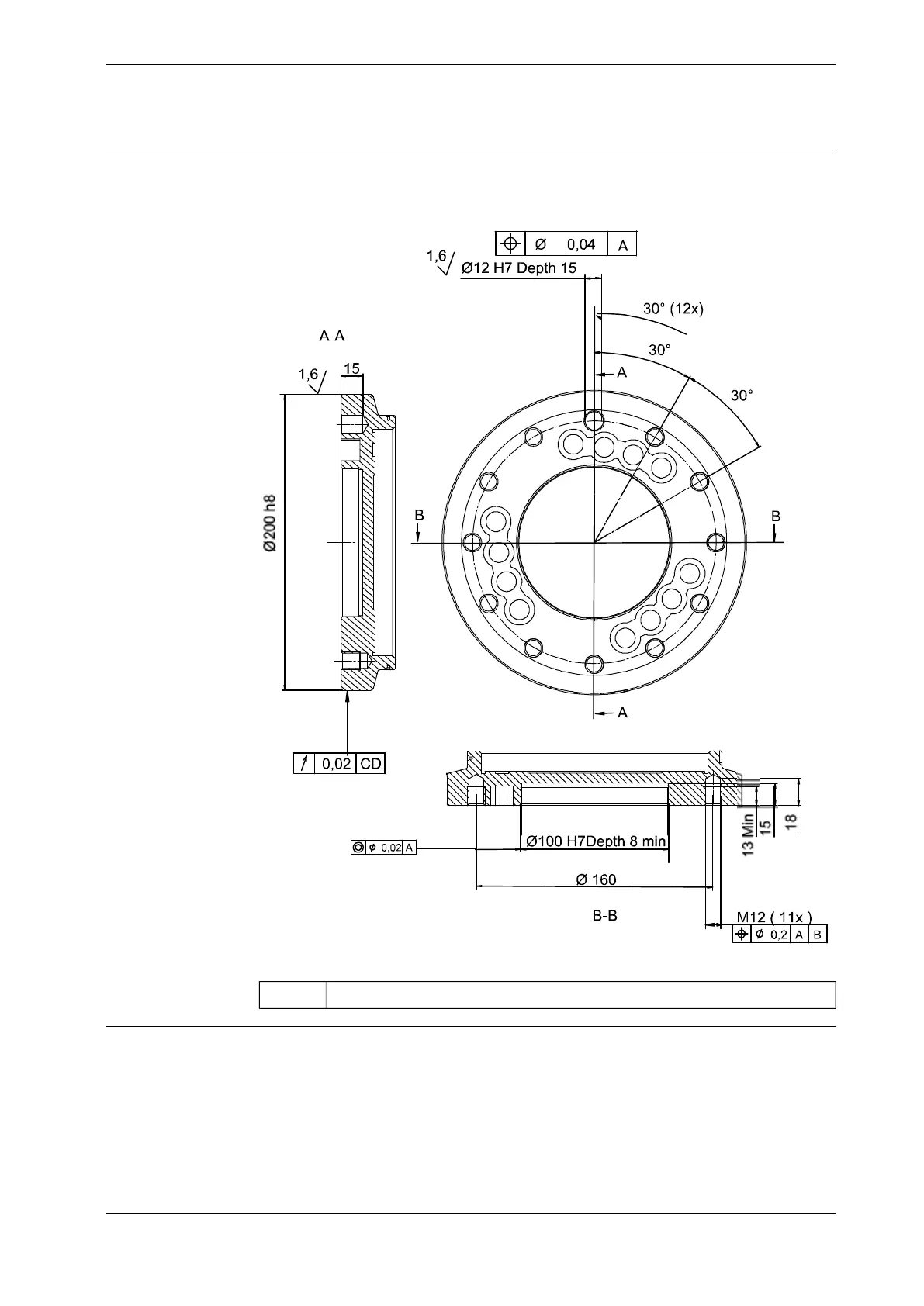
Illustration, fitting on turning disc
The illustration below shows the mounting holes available for fitting equipment on
the turning disc.
xx0200000197
Turning disk (type 2) for all robot versions.-
Fastener quality
When fitting tools on the turning disk (see the figures above), only use screws with
quality 12.9.
Standard screws with quality 8.8 may be used when fitting other equipment to the
mounting holes on the upper arm house or frame.
Product manual - IRB 6660 87
3HAC028197-001 Revision: S
© Copyright 2007-2018 ABB. All rights reserved.
2 Installation and commissioning
2.3.8 Fitting equipment on robot
Continued

Table of Contents

Other manuals for ABB IRB 6660

Related product manuals