EasyManua.ls Logo

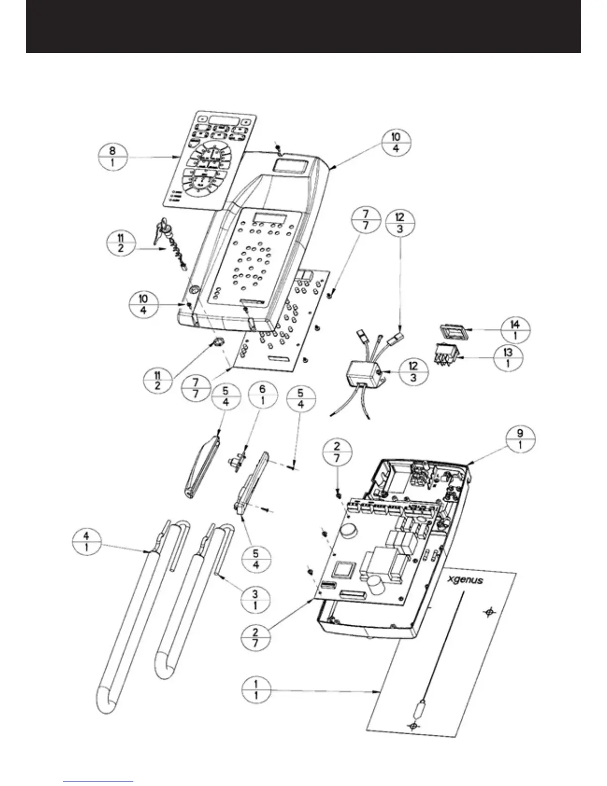
Acteon XMIND DC - Page 57

Acteon XMIND DC
80 pages
Print Icon
To Next Page IconTo Next Page
To Next Page IconTo Next Page
To Previous Page IconTo Previous Page
To Previous Page IconTo Previous Page
Loading...
Page 57 of 61
ENGLISH
INSTALLATION & MAINTENANCE MANUAL • XMIND DC • W1100100 • V1 • (15) • 12/2015 • NXDCEN020B

Related product manuals