EasyManua.ls Logo

Allweiler NIT Series - Fan Casing; And 50-250); Connections; 40-250;01 and 50-250;01

Allweiler NIT Series
44 pages
Print Icon
To Next Page IconTo Next Page
To Next Page IconTo Next Page
To Previous Page IconTo Previous Page
To Previous Page IconTo Previous Page
Loading...
Appendix
914.14914.14
914.18
914.14914.14
914.05
Fig. 1 4 Fastening of the bearing housing cove r
and fan casing
914.04
914.01
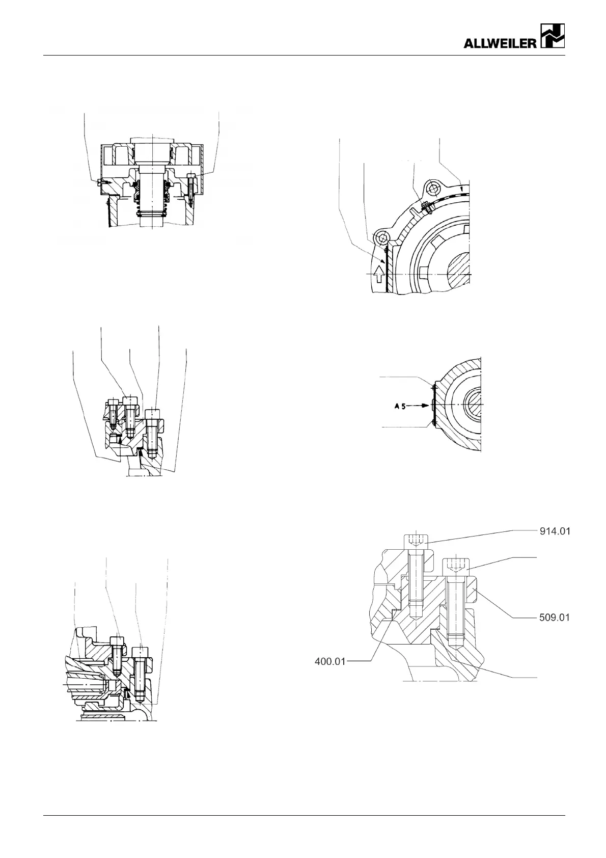
400.01 509.01 400.03
Fig. 15 Version with intermediate ring (sizes 40-250
and 50-250)
400.03
914.04
914.01
161.03
Fig. 16 Housing cover ve rsion (sizes 2/40-250
and 2/50-250)
914.14914.14
685.01
567.01
914.19
685.01
971.01
Fig. 17 Attachment of the guard sheet to the
motor bell housi ng
972.04
565.02
Fig. 18 Information plate (972.01), assignment
of connections
914.04
400.03
Fig.19 Versionwithinte
rmediate ring, sizes
40-250/01 and 50-250/01
34 NIT series BA-2017.03 en-U S 160-282/ 0 550 154

Table of Contents

Related product manuals