EasyManua.ls Logo

AlphaTheta euphonia - Master Insert Functionality; Using Master Insert

AlphaTheta euphonia
66 pages
Print Icon
To Next Page IconTo Next Page
To Next Page IconTo Next Page
To Previous Page IconTo Previous Page
To Previous Page IconTo Previous Page
Loading...
44
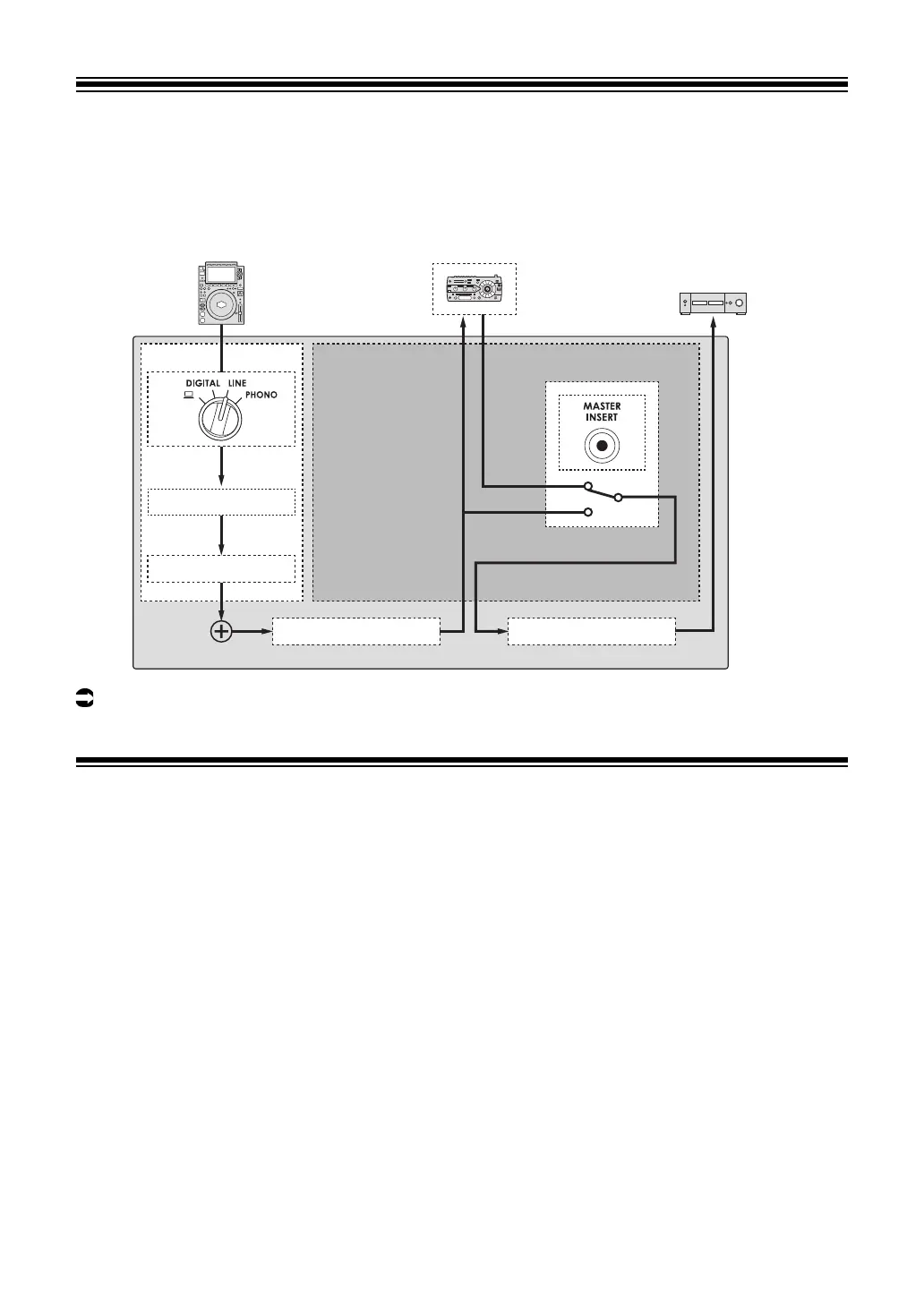
Master Insert
You can switch the effect sounds of an external effects unit and the master sound.
Read more: Connecting external effects units (page 24).
Using Master Insert
1 Connect an external effects unit to the [MASTER INSERT
SEND] and [MASTER INSERT RETURN] terminals.
2 Press the [MASTER INSERT/(WAKE UP)] button to turn Master
Insert on.
Press the [MASTER INSERT/(WAKE UP)] button again to turn Master Insert off.
Master Insert is turned off when an external effects unit isn’t connected to the unit.
You can’t turn Master Insert on and off when the [UTILITY] screen is displayed
(page 48).
Check the output volume in the connected external effects unit before turning Master
Insert on or off.
euphonia
CH MASTER INSERT
TRIM/EQ
Master Isolator
External effects unitInput
Output
Rotary fader
Master volume

Related product manuals