EasyManua.ls Logo

AudioArts Engineering D-70 - Page 33

Default Icon
130 pages
Print Icon
To Next Page IconTo Next Page
To Next Page IconTo Next Page
To Previous Page IconTo Previous Page
To Previous Page IconTo Previous Page
Loading...
TRIM
TRIM
MONO MIC INPUT
Phantom
MIC
ON
OFF
ON TALLY
OFF TALLY
COUGH
TB TO CR
A
B
A / B
LOGIC
A
A
B
INSERT
BYPASS
INSERT
Phantom
LOGIC
ON
A/B
PGM AUD AUX1 AUX2
CHANNEL ON/OFF
INPUT SELECT
BUS ASSIGN SWITCHES
FRONT PANEL SWITCHES
LOGIC
L
H
L
H
L
H
L
H
A Logic Follow
LOGIC
PORTS
CR MUTE
STUDIO MUTE
TALLY 2
TALLY 3
TO CONSOLE CONTROL BUSSES
TIMER RESTART
TB TO ST MUTE
AUX2 BUS PRE-FADER
D-70/Sep 2000
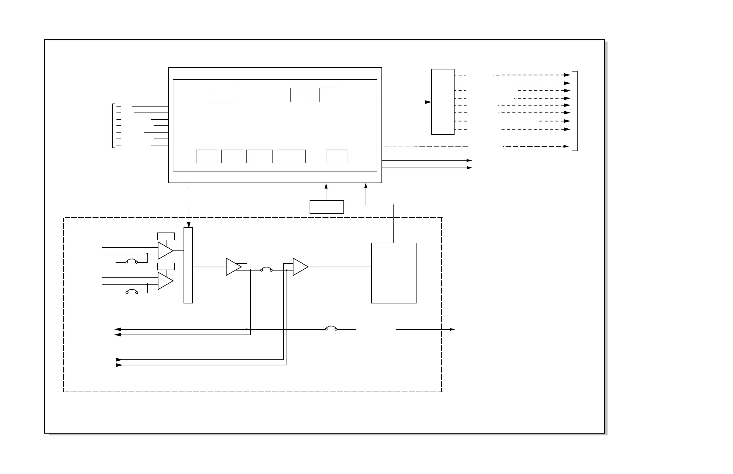
IND-70 Input Module - Signal Flow Diagram
S
E
L
E
C
T
F
E
T
S
W
CUE
FADER
DIGITAL AUDIO
DATA
Analog
Analog
CUE ASSIGN
CUE LOGIC
ANALOG TO
DIGITAL
CONVERTER
(ADC)
VDIP
SWITCH
J2
TB MONITOR
TO CONSOLE AUDIO BUSSES
J1
J4
J3
IN
OUT
OFF
A/B TALLY
page 2 - 9
MMADC-70
DAUGHTER CARD
AIR TALLY

Table of Contents

Related product manuals