EasyManua.ls Logo

Avery Weigh-Tronix evolution Series - Page 122

Avery Weigh-Tronix evolution Series
131 pages
Print Icon
To Next Page IconTo Next Page
To Next Page IconTo Next Page
To Previous Page IconTo Previous Page
To Previous Page IconTo Previous Page
Loading...
122
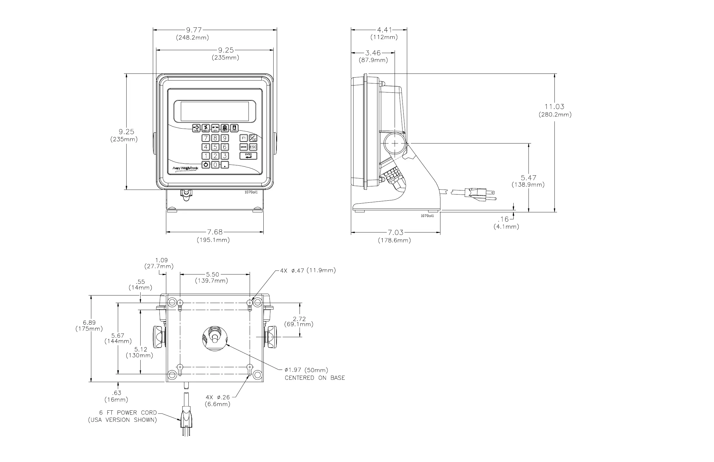
MODEL E1070 SST INDICATOR
DIMENSIONAL OUTLINE DRAWING