EasyManua.ls Logo

Axor Microspeed Plus Series - 3.4 Ground and Shield Connections

Axor Microspeed Plus Series
64 pages
Print Icon
To Next Page IconTo Next Page
To Next Page IconTo Next Page
To Previous Page IconTo Previous Page
To Previous Page IconTo Previous Page
Loading...
30
Service Manual
Plus
MICROSPEED
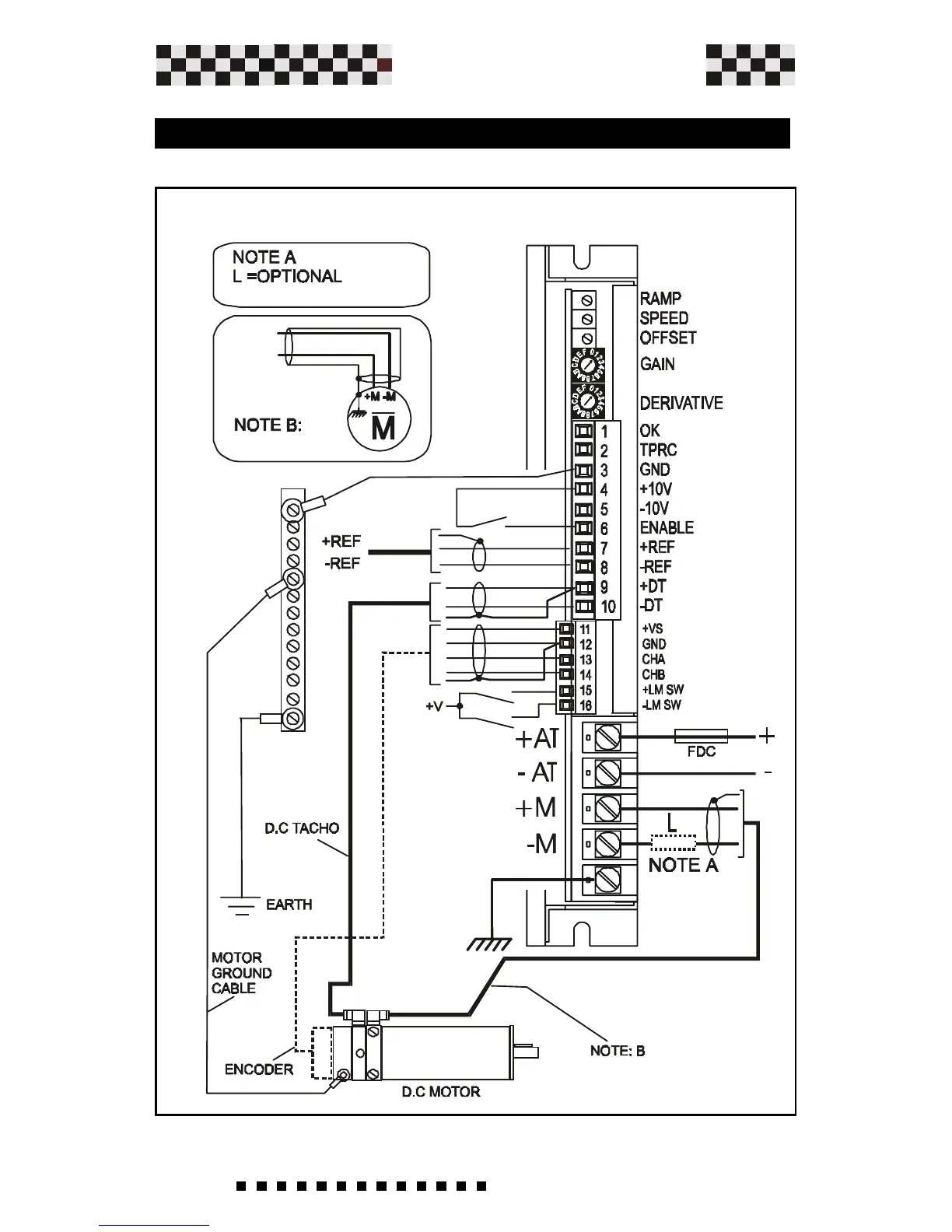
3.4 Ground and Shield Connections
Installation

Table of Contents

Related product manuals