EasyManua.ls Logo

Bosch CF Series - ECM Interface Board

Bosch CF Series
112 pages
Print Icon
To Next Page IconTo Next Page
To Next Page IconTo Next Page
To Previous Page IconTo Previous Page
To Previous Page IconTo Previous Page
Loading...
Unit Installation
5.12 ECM Interface Board
NOTICE
ECM Interface Boards are used only with the Constant Airflow
motor option.
NOTICE
Do not set the ADJ DIP switch to the (-) setting when electric
heaters are installed. Doing so may cause the heaters to cycle
on their thermal overload switches, potentially shortening the
life of the switches.
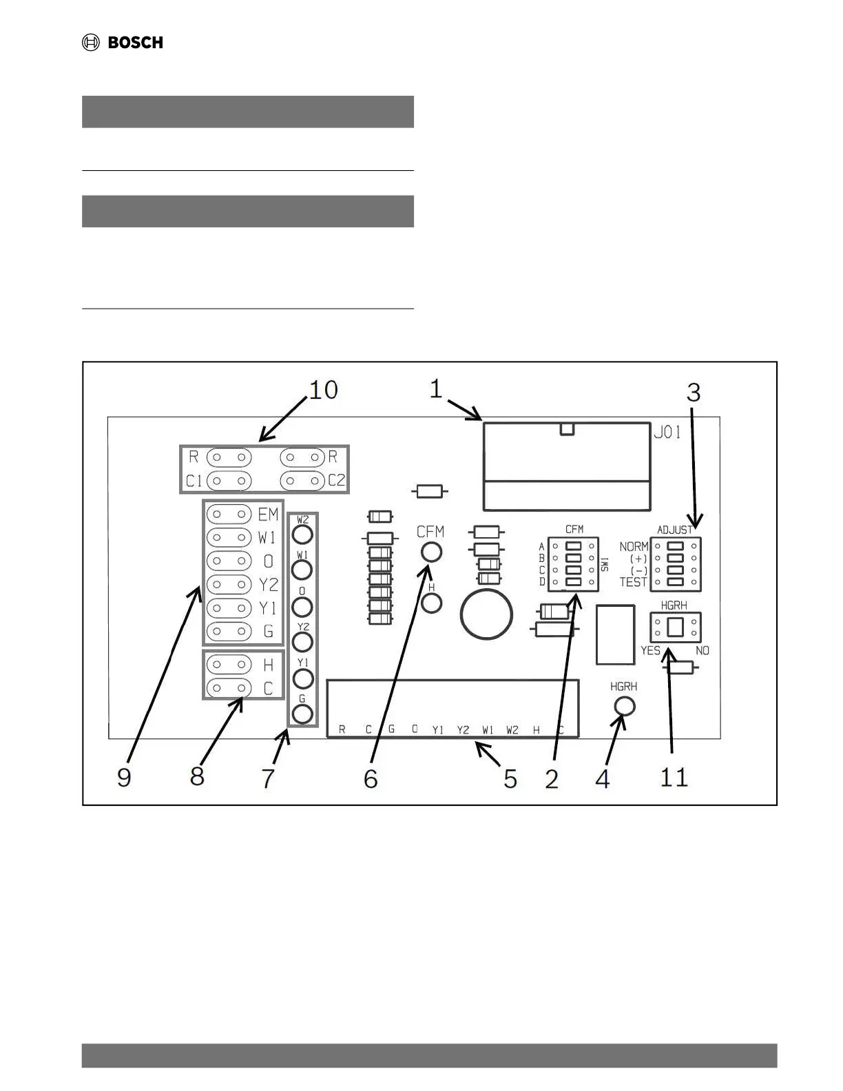
Thermostat wiring is connected to the 10-pin screw-type
terminal block on the lower-center portion of the ECM Interface
Board. In addition to providing a connecting point for thermostat
wiring, the interface board also translates thermostat inputs into
control commands for the Electronic Commutated Motor (ECM)
DC fan motor and displays an LED indication of operating status.
The thermostat connections and their functions are as shown in
Fig. 14.
Fig. 14 ECM Interface Board
[1] Motor Harness Plug [7] Thermostat Input Status Indication
[2] Blower CFM Adjustment [8] Reheat Digital Outputs
[3] Motor Settings [9] Thermostat Outputs
[4] HGRH Indication [10] 24 VAC
[5] Thermostat Contact Inputs [11] Hot Gas Re-Heat Enable Switch
[6] CFM Count Indicator
|
23
CF Series Heat Pumps — 8733846299 (2024/11)

Table of Contents

Related product manuals