EasyManua.ls Logo

Broaster 2400 - Page 14

Broaster 2400
76 pages
Print Icon
To Next Page IconTo Next Page
To Next Page IconTo Next Page
To Previous Page IconTo Previous Page
To Previous Page IconTo Previous Page
Loading...
2-2
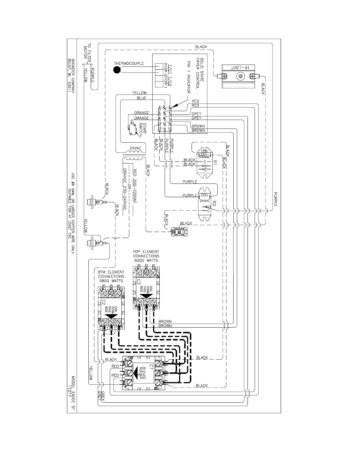
2400E 208 or 240VAC:
C
NO
NC
broaster.com Manual #17280 1/15

Other manuals for Broaster 2400

Related product manuals