EasyManua.ls Logo

Buhler DFTA 12 - Dimensioned Drawings; Dfta 12

Buhler DFTA 12
42 pages
Print Icon
To Next Page IconTo Next Page
To Next Page IconTo Next Page
To Previous Page IconTo Previous Page
To Previous Page IconTo Previous Page
Loading...
14 Description Throw sifter
DFTA-66620-2-en-1803 © Copyright 2018 Bühler AG
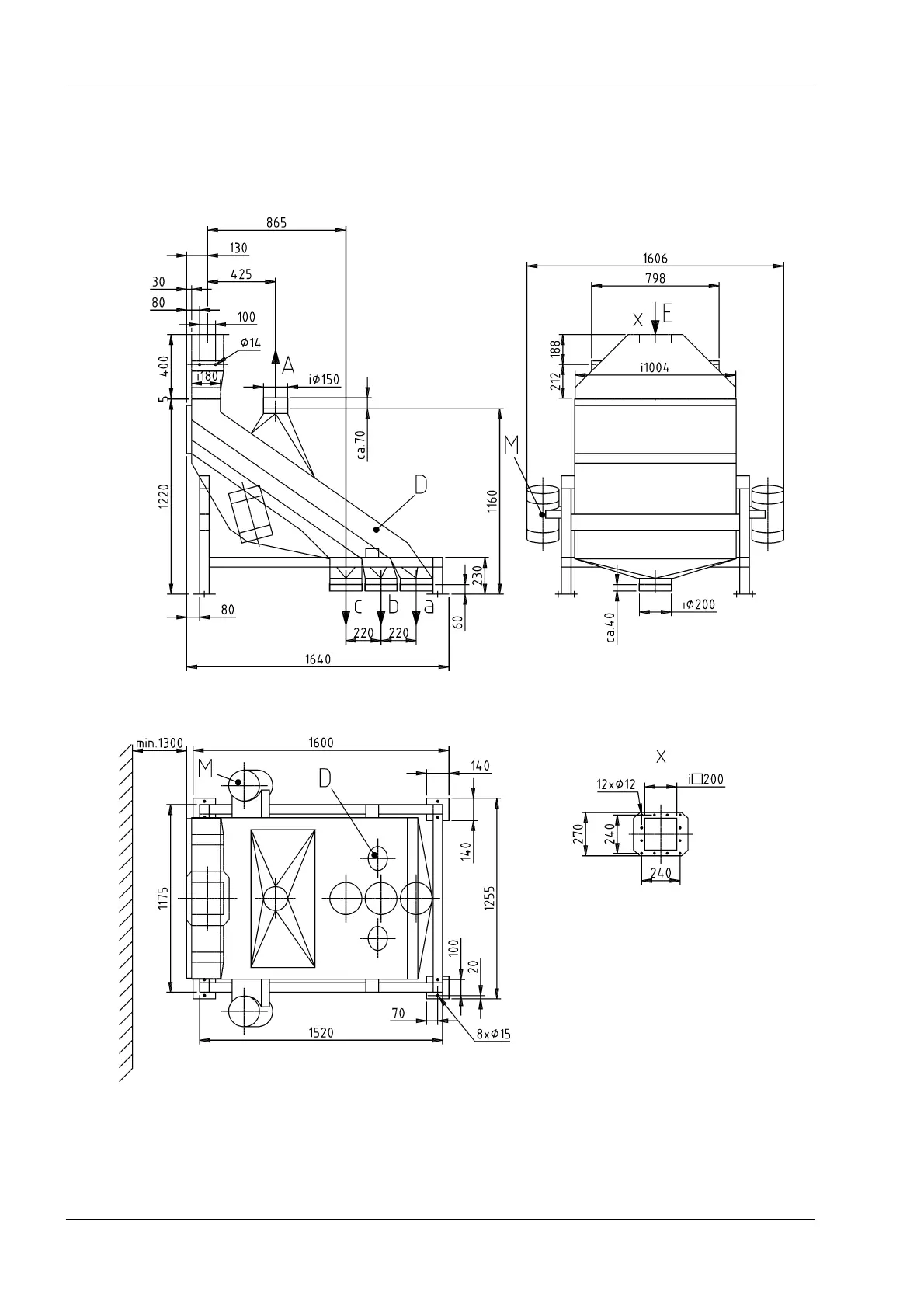
2.5 Dimensioned drawings
2.5.1 DFTA 12
Fig. 2.6

Related product manuals