EasyManua.ls Logo

Camus Hydronics Avenger Series - Page 35

Camus Hydronics Avenger Series
108 pages
Print Icon
To Next Page IconTo Next Page
To Next Page IconTo Next Page
To Previous Page IconTo Previous Page
To Previous Page IconTo Previous Page
Loading...
30
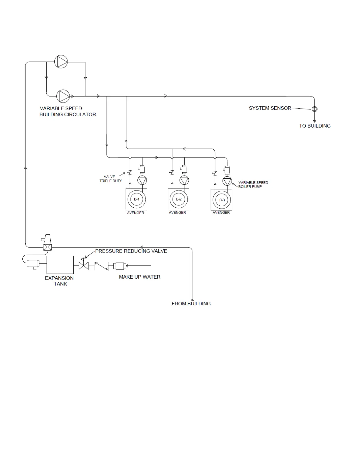
Figure 21: Recommended Piping with Reverse/Return and Variable Primary Flow

Table of Contents

Related product manuals