EasyManua.ls Logo

Camus Hydronics Avenger Series - T Heat Exchanger Algorithm

Camus Hydronics Avenger Series
108 pages
Print Icon
To Next Page IconTo Next Page
To Next Page IconTo Next Page
To Previous Page IconTo Previous Page
To Previous Page IconTo Previous Page
Loading...
29
To select the proper pump, it is strongly recommended to consider the following:
Need to know the required flow (GPM) and pressure drop for your appliance (see Table 8).
Type of application: Hydronic Heating or Domestic Hot Water (DHW).
For Hydronic Heating and DHW applications with normal water hardness choose a pump which will result in a temperature rise
across the main heat exchanger of 20ºF to 40ºF (11.1ºC - 22.2ºC) depending on the size of the heater. If necessary, use a flow
setter valve to achieve the desired temperature rise.
For DHW applications with other than normal water hardness, consult the factory for recommendations.
NOTE
The use of a system sensor is required in lead lag operation
1. When variable speed main circulators ARE NOT used, the system sensor is to be placed into the return system piping.
2. When variable speed main circulators are used, the system sensor is to be placed into the supply system piping.
4.13 T HEAT EXCHANGER ALGORITHM
The Avenger
is constantly monitoring the inlet and outlet water temperatures. When the T approaches 7F the burner will modulate
down to prevent tripping of the high limit.
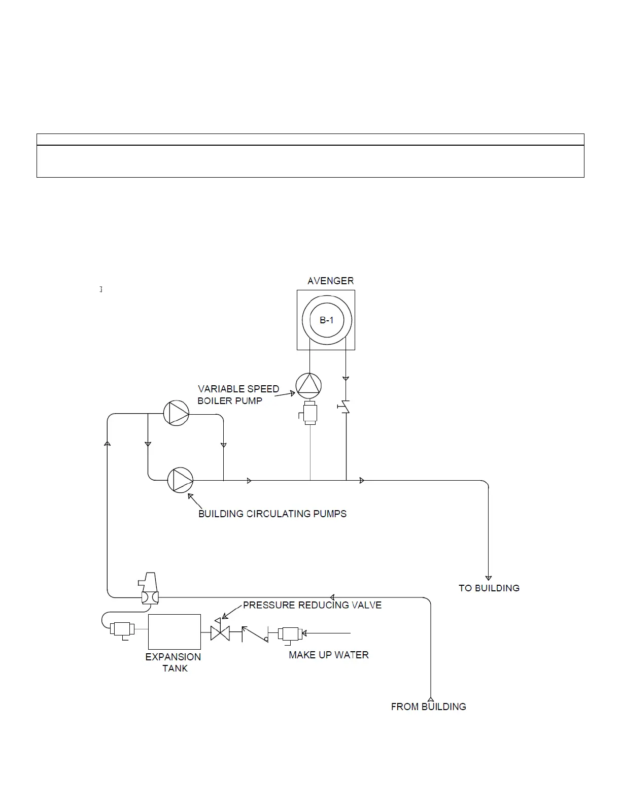
Figure 20: Recommended Piping with Variable Primary/Secondary

Table of Contents

Related product manuals