EasyManua.ls Logo

Carel humiSteam Basic - Spare Parts for Models UE025 to UE065

Carel humiSteam Basic
48 pages
Print Icon
To Next Page IconTo Next Page
To Next Page IconTo Next Page
To Previous Page IconTo Previous Page
To Previous Page IconTo Previous Page
Loading...
25
ENG
“UE BASIC” +03U0042EN - rel. 1.3 - 10 May 2013
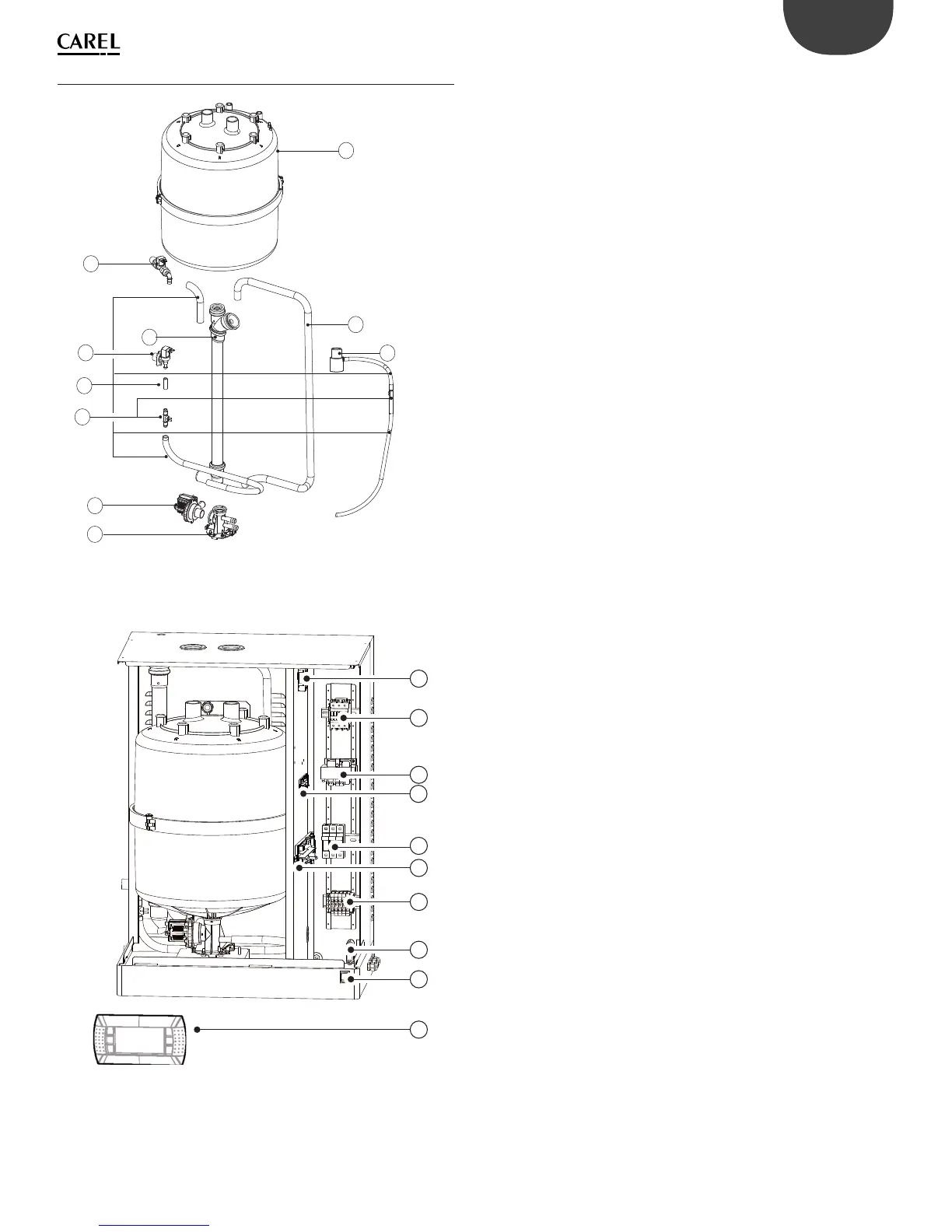
9.2 Spare parts for models UE025 to UE065
8
7
6
5
4
3
2
1
19
20
Fig. 9.c
9
10
11
15
16
17
18
13
14
21
Fig. 9.d
Key:
1 drain circuit
2 ll solenoid valve kit
3 internal tubing kit
4 conductivity meter
5 drain pump kit
6 manifold
7 drain pump hose
8 cylinder
9 TAM (transformer for measuring the current)
10 contactor
11 transformer
13 fuse carrier
14 electronic controller
15 power terminals
16 cable clamp
17 switch
18 terminal with liquid crystal display (fi tted on the cover of the
electrical compartment)
19 kit outlet connector steam (only in the UE045(208-230Vac and
UE065)
20 drain tempering valve
21 liquid level cutoff (only in the UE045(208-230Vac and UE065)

Table of Contents

Related product manuals