EasyManua.ls Logo

CENTURION SYSTEMS R6 - Free-Exit Loop; Remote Autoclose Switch

CENTURION SYSTEMS R6
48 pages
Print Icon
To Next Page IconTo Next Page
To Next Page IconTo Next Page
To Previous Page IconTo Previous Page
To Previous Page IconTo Previous Page
Loading...
page 36 www.centsys.com
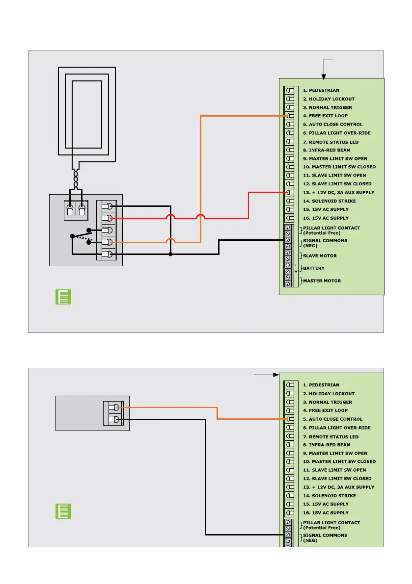
FIGURE 42
CP77 Control
Card
Loop Detector
COM
NO
NC
Free-exit Loop
12V -
12V +
NO
COM
7.11. Free-Exit Loop
ELECTRICAL CONNECTIONSSECTION 7
FIGURE 43
CP77 Control Card
NEG
AUTOCLOSE
Autoclose toggle
7.12. Remote Autoclose Switch
CENTURION FLUX SA inductive loop detector is shown above.
Modify wiring if other makes of detectors are used.
Toggleswitchisshownttedtoan
intercom handset.

Related product manuals