EasyManua.ls Logo

Clarke CA60 20D - Page 26

Clarke CA60 20D
91 pages
Print Icon
To Next Page IconTo Next Page
To Next Page IconTo Next Page
To Previous Page IconTo Previous Page
To Previous Page IconTo Previous Page
Loading...
Service Manual-CA60 14 Wheel System 23
Wiring Diagram(CA60 20B/24B)
Wiring Diagram(only for CA60 20TD)
1
1
2
2
3
3
4
4
5
5
6
6
7
7
8
8
D D
C C
B B
A A
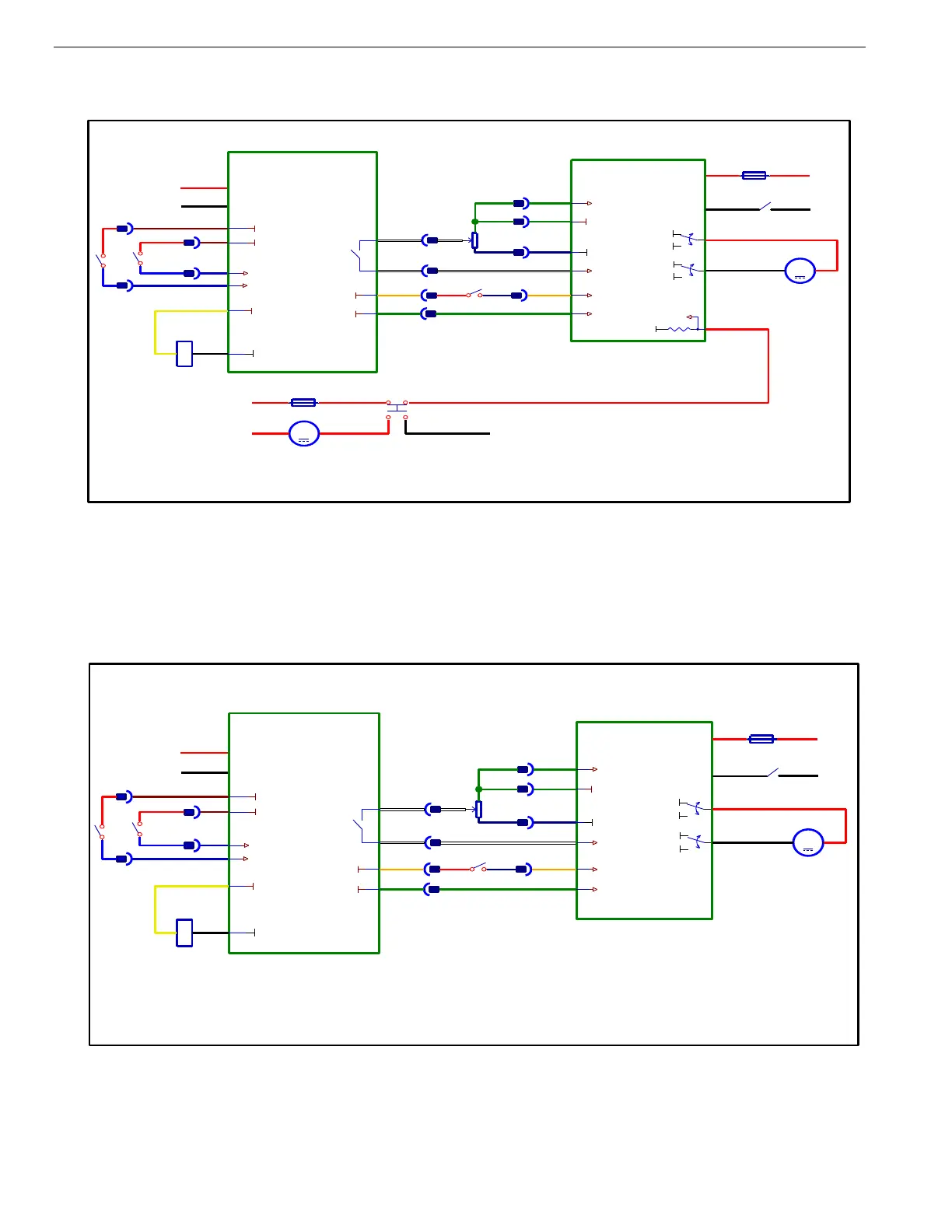
Traction System Wiring Diagram (Only For CA60 20TD)
E1 Main Control Board
Power Supply+
B-
Power Supply-
J1-18
J1-13
J1-3
J1-4
J1-17
J1-5
F3
Circuit Breaker 12A
B-
M1
M2
E2 Curtis 1210
B+
B-
B+
B-
M
M3
Traction Motor
+-
K3
REVERSE
KSI
POT HIGH
POT LOW
POT WIPER
SPEED POT
BLK
BAT+
C5b
C5a
C5c
C5d
VR2
5K
C6
+24V
SW3
SW ReverseC14
C12
+24V
C13
B+
B-
B+
BAT-
NO
K3
Traction Relay
+24V
J1-11
J1-8
+5V
B-
SW1
SW Brush
+24V
J1-2
J1-3
SW2
SW Brush
J1-7
J1-6
+24V
Brush Active
Brush Active
J1-5
J1-4
J1-10
J1-1
1
1
2
2
3
3
4
4
5
5
6
6
7
7
8
8
D D
C C
B B
A A
Traction System Wiring Diagram (Only For CA60 20B/24B )
E1 Main Control Board
Power Supply+
B-
Power Supply-
J1-18
J1-13
J1-3
J1-4
J1-17
J1-5
F3
Circuit Breaker 12A
B-
M1
M2
E2 Curtis 1210
B+
B-
B+
B-
M
M3
Traction Motor
+-
K3
REVERSE
KSI
POT HIGH
POT LOW
POT WIPER
SPEED POT
BLK
BAT+
C5b
C5a
C5c
C5d
VR2
5K
C6
+24V
SW3
SW ReverseC14
C12
+24V
C13
B+
B-
B+
BAT-
NO
K3
Traction Relay
+24V
J1-11
J1-8
K1F1
Circuit Breaker 30A
BAT+
NC
Two Speed Mode Selection
BAT-
+5V
B-
J1-8
B-
SPEED MODE
M
M1
Brush Motor
BAT+
Speed Mode Input=24V,SPEED=82% MAX SPEED(Scrub Motor Inactive)
Speed Mode Input=OPEN,SPEED=75% MAX SPEED(Scrub Motor Active)
SW1
SW Brush
+24V
J1-2
J1-3
SW2
SW Brush
J1-7
J1-6
+24V
Brush Active
Brush Active
J1-5
J1-4
J1-10
J1-1
Figure 1
Figure 2

Table of Contents

Related product manuals