EasyManua.ls Logo

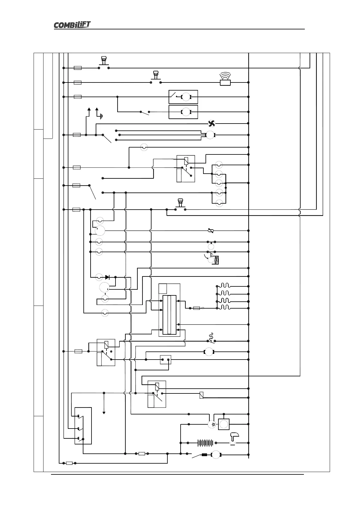
CombiLift C7700 - Electric Circuit - Kubota Diesel

CombiLift C7700
81 pages
Print Icon
To Next Page IconTo Next Page
To Next Page IconTo Next Page
To Previous Page IconTo Previous Page
To Previous Page IconTo Previous Page
Loading...
C4-C5XL MK3 O&S
5-9
C4000MK3-OM-EN-11
F5
GLOW PLUGS
50A
TIMER BASE.
R
P
F
87T
R
8
4
L86
2
3
R
RELAY
VO
R
R
P
R
Disconnected
(White Wire)
50A
58
R
GLOW
F3
10
+
BN
CHARGE
H
R
R
FUEL
R
OIL
58
85
R
O/R
HEIGHT
85
87A
RELAY CO
86
30
87
TEMPERATURE SWITCH
SWITCH
IGNITION
D+
Model: C3000 - C5000 & C5000XL
ALTERNATOR
STARTER MOTOR
NEG
BATTERY
Fuse
M
G
-ve
K
87A
BN
V
GR
MAST
BN
RELAY 22
86
30
87
R
R
m
m
Y
R
V
R
V
m
F7
20
+
S
T
0
R
1
F1
7.5
R
R
3
F8
20
0
4
2
3
O
P
R
SUPPLY FOR RADIO
O
BN
F9
7.5
O
O
58
F6
20
F10
7.5
Title: Kub Diesel Electric Circuit (PLC)
54
30
30
54
Section: 1 of 3
54
30
BN
+ve B+
80
Main
Amp
GY
BN
30
COMBILIFT LTD
PULL/HOLD SOLENOID
FUEL PUMP
STARTER SOLENOID
DASH PANEL
LOW FUEL GUAGE
GLOW
OIL GUAGE
SPARE SPOTLIGHT
SPOTLIGHTS
TEMPERATURE GUAGE
CABIN INTERIOR LIGHT
CAB HEATER
R
WIPER
CAB FAN
WIPER
HORN
R
R
R
O
7.5
Drawn By : David Murray
Revision Date:22/05/15
PRKNG
BRAKE
6
GLOW PLUG TIMER RELAY
M
R
RELAY 1
NEUTRAL
87A
85
30
87
86
PULL
7
50
85
HOLD
2
30
R
STRIP FUSE ON
ISOLATOR
STARTER
SOLENOID
SWITCH
30
Fuse
15
Amp
5.9: Electric Circuit – Kubota Diesel

Table of Contents

Related product manuals