EasyManua.ls Logo

CombiLift C7700 - Electric Circuit - GM LPG

CombiLift C7700
81 pages
Print Icon
To Next Page IconTo Next Page
To Next Page IconTo Next Page
To Previous Page IconTo Previous Page
To Previous Page IconTo Previous Page
Loading...
C4-C5XL MK3 O&S
5-12
C4000MK3-OM-EN-11
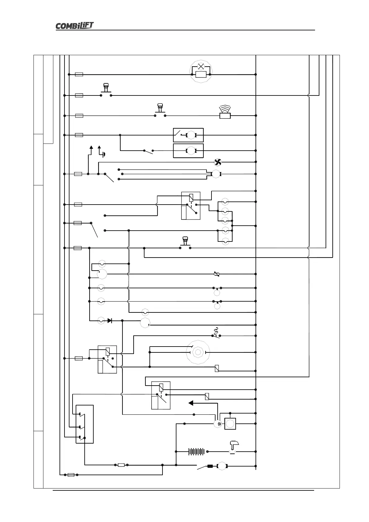
5.10: Electric Circuit – GM LPG
MAST
B+
D+
+ve
30
STARTER SOLENOID
STARTER MOTOR
NEG
M
ALTERNATOR
BATTERY
K
-ve
G
TEMPERATURE GUAGE
LOW FUEL GUAGE
SPOTLIGHTS
DASH PANEL
OIL GUAGE
P
O/R
HEIGHT
CAB HEATER
m
87
87A
85
80
Fuse
amp
Main
NEUTRAL
87A
87
30
R 1
85
86
IGNITION
SWITCH
30
50A
54
58
30
CHARGE
FUEL
S
OIL
+
T
1
0
30
R 22
86
2
3
4
3
0
58
30
54
7.5
F1
15
F7
20
F6
7.5
F9
20
F8
7.5
F5
58
54
30
O
O
R
R
R
R
R
R
R
R
V
SPARE SPOTLIGHT
BN
BN
R
R
R
R
OV
GR
BN
BN
BN
GY
TO F2
EXC
F3
7.5
P
GAS IGNITION COIL
BN
O
SUPPLY FOR RADIO
CAB FAN
R
YV
O
HORN
V
7.5
P
F10
O
FLASHING BEACON
ZD1
7.5
R/Y
F13
PRKNG
BRAKE
WIPER
WIPER
m
R
m
R
ANTI-BACKFIRE
STARTER
SOLENOID
SWITCH
ISOLATOR
H
+
R
R
O
R
R
Section: 1 of 3
Model: C3000 - C5000 & C5000XL
COMBILIFT LTD
Drawn By : David Murray
Revision Date:22/05/15
Title: GM LPG Electric Circuit (PLC)
Fuse
15
Amp
R
85
87A
RELAY CO
86
30
87
TEMPERATURE SWITCH
58
54
30

Table of Contents

Related product manuals