EasyManua.ls Logo

CombiLift C7700 - Page 68

CombiLift C7700
81 pages
Print Icon
To Next Page IconTo Next Page
To Next Page IconTo Next Page
To Previous Page IconTo Previous Page
To Previous Page IconTo Previous Page
Loading...
C4-C5XL MK3 O&S
5-13
C4000MK3-OM-EN-11
O
2
R
R
R
O
CAROUSEL PROXIMITY SWITCH
FRONT WHEEL AT 90° PROX
MAST HEIGHT PORX SWITCH
REAR WHEEL AT 90° PROX
FRONT WHEEL TO 0° PROX
REAR WHEEL TO 0° PROX
O
BL
BL
BL
BL
BL
GUIDE ROLLER LIGHT
REVERSE BLEEPER
0° SOLENIOD
90° SOLENIOD
DB SOLENOID
90° INDICATOR LAMP
0° INDICATOR LAMP
CAROUSEL INDICATOR LAMP
30
R
87A
87
85
RELAY 1A
R
86
BN
BN
1
BN
BK
BNBN
43
R
5
BK
BK
BK
Y
GR
BK
GY
BN
GR
R
F11
7.5
58
L
Rev
BN
Forward
R
F2
7.5
PIN 1
PIN 5
BN
PLUG X3.1
6
PIN 7
PIN 9
PIN 10
PIN 8
PIN 6
PIN 11
PIN 12
PIN 13
PIN 14
PIN 16
PIN 18
PIN 17
PIN 15
GR
Y
R
O
W
O
GY
BN
R
PIN 17
R
R
R
W
PIN 6
PIN 8
PIN 7
PIN 10
PIN 9
PIN 5
GR
BN
BN
BN
PIN 18
PIN 2
PIN 1
PIN 4
PIN 3
W
W
GY
PIN 9
PIN 10
PIN 13
PIN 12
PIN 15
PIN 14
PIN 11
PIN 16
R
BN
BN
GY
BN
GR
GR
PIN 3
PIN 4
PIN 5
PIN 6
PIN 2
PIN 8
PIN 7
BN
R
GR
PLUG X5.2
PLUG X5.1
PLUG X4
PIN 1
PIN 2
PIN 3
PIN 4
BK
BK
BK
BK
BK
FOOT
SWITCH
GY
7.5
F5
58
BN
PIN 13
BN
GY
PIN 14
PIN 15
PIN 16
PIN 17
PIN 18
BN
PIN 6
PIN 8
PIN 7
PIN 10
PIN 12
PIN 11
PIN 9
O
R
O
O
GY
F5
7.5
PIN 1
PIN 4
PIN 3
PIN 2
PIN 5
BN
BN
BN
20
F4
R
O
F2
7.5
58
54 54 54
REVERSE SOLENOID
FORWARD SOLENOID
BRAKE LIGHT
DRIVE SOLENOID
BRAKE SOLENOID
REFLEX STEERING SOLENOID
R
PLC
BOARD
GY
GY
GY GY
Section: 2 of 3
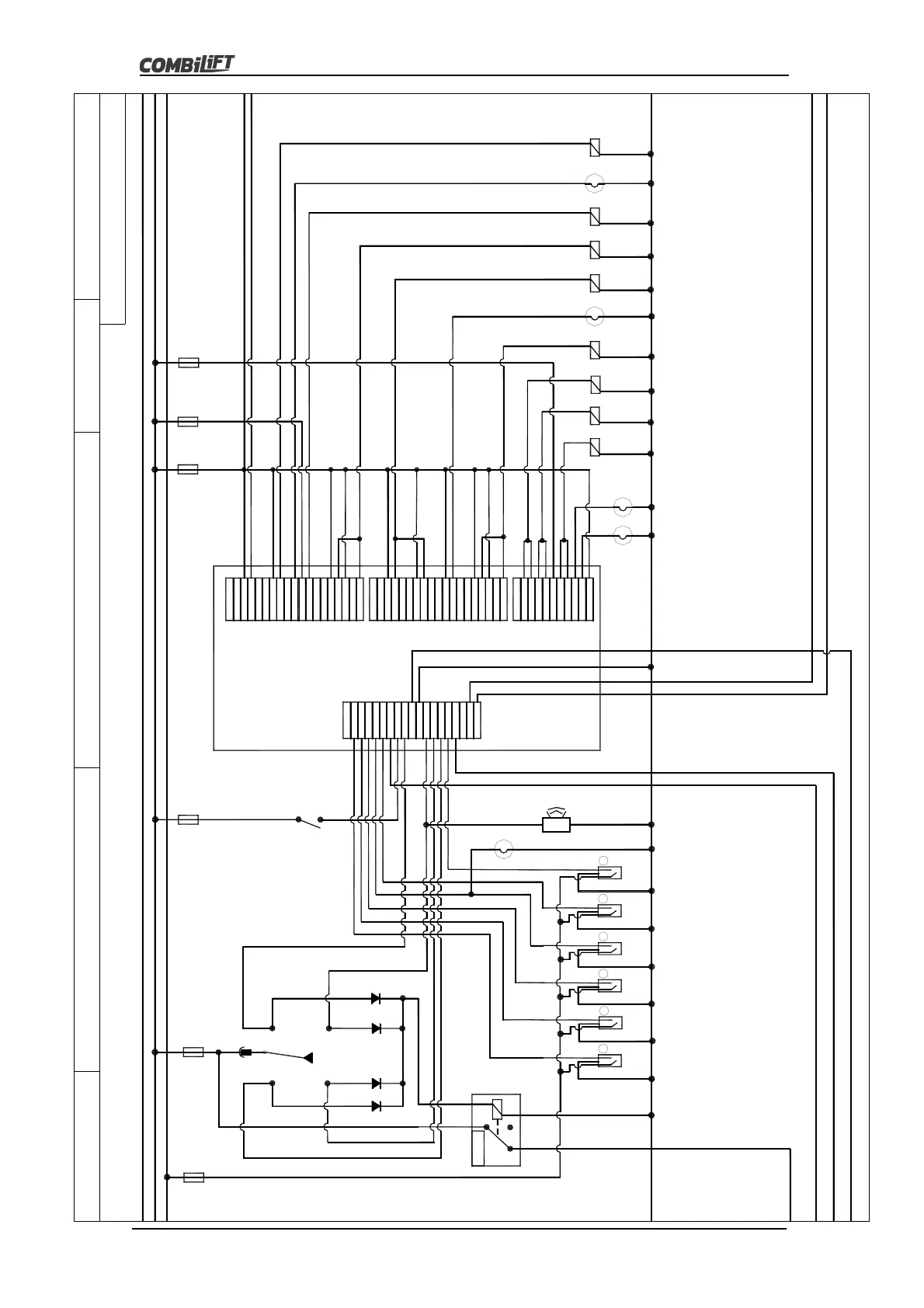
Model: C3000 - C5000 & C5000XL
COMBILIFT LTD
Drawn By : David Murray
Title: GM LPG Electric Circuit (PLC)
Revision Date:22/05/15
58
54
30
58
54
30

Table of Contents

Related product manuals