EasyManua.ls Logo

CombiLift C7700 - Electric Circuit - GM LPG (Tier IV)

CombiLift C7700
81 pages
Print Icon
To Next Page IconTo Next Page
To Next Page IconTo Next Page
To Previous Page IconTo Previous Page
To Previous Page IconTo Previous Page
Loading...
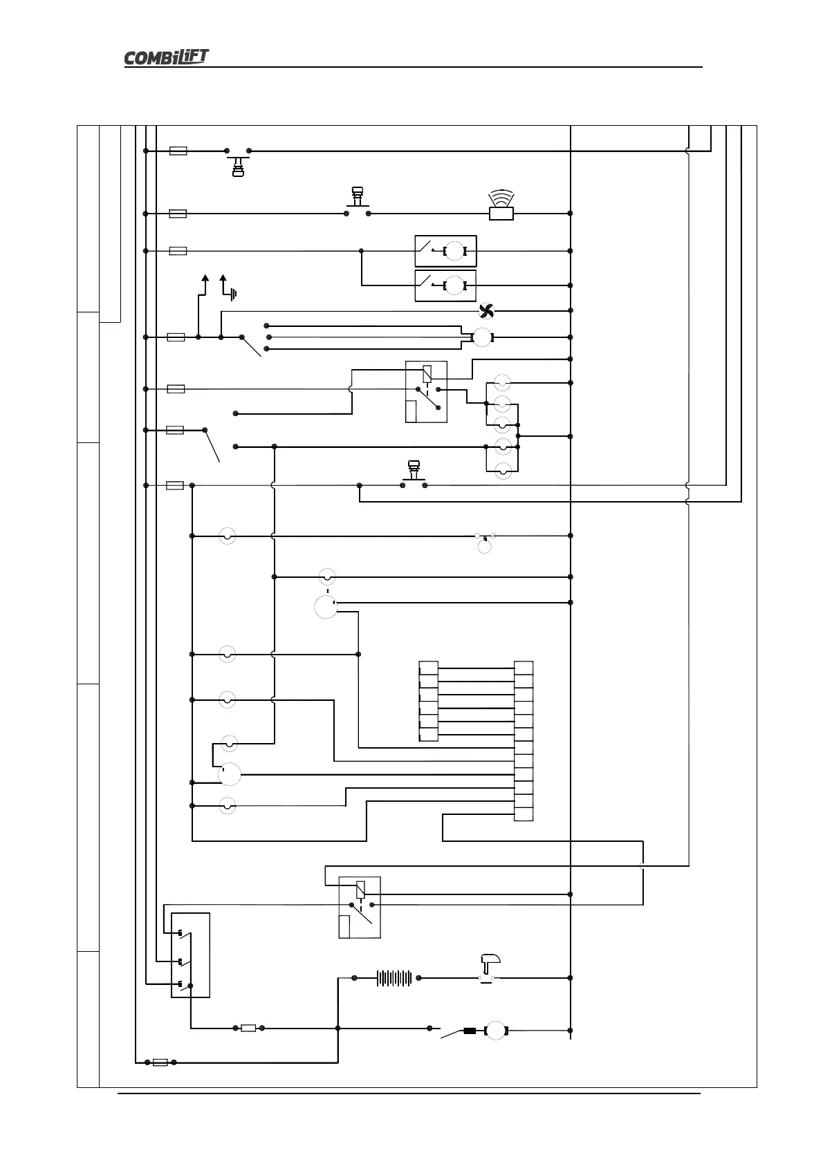
C4-C5XL MK3 O&S
5-15
C4000MK3-OM-EN-11
Section: 1 of 3
Model: C4000 - C5000 & C5000XL
COMBILIFT LTD Title: GM LPG Tier IV (PLC)
Drawn By : David Murray
Fuse
15
Amp
58
54
30
Revision Date:22/05/15
MAST
+ve
30
STARTER MOTOR
NEG
M
BATTERY
-ve
SPOTLIGHTS
FUEL
+
R
H
O
OIL LIGHT
METER
HOUR
G/Y
CHARGE
GY
R
+
S
G
T
V
TEMP
LIGHT
MIL
B
LIGHT
R
BN
STARTER
SOLENOID
SWITCH
7.5
F5
58
54
30
O
O
R
R
R
R
R
R
R
V
SPARE SPOTLIGHT
BN
BN
R
R
R
R
BN
BN
BN
O
SUPPLY FOR RADIO
CAB FAN
R
YV
ISOLATER
KEY SWITCH
O
HORN
V
7.5
P
F10
R
R
R
O
R
BA
BN
Y
GW
RBK
654321
SRJKMLEGC
F
FOOT PEDAL
CURTIS
VEHICLE INTERFACE CONNECTOR
R
RR
GY G
B
V
LOW FUEL GUAGE
P
O/R
HEIGHT
WIPER
CAB HEATER
WIPER
m
87
87A
85
m m
80
Fuse
amp
Main
87A
87
30
R 1
85
86
IGNITION
SWITCH
30
50A
54
58
30
1
0
30
R 22
86
1
2
3
3
0
58
30
54
7.5
F1
15
F7
20
F6
7.5
F9
15
F8
5.11: Electric Circuit – GM LPG (Tier IV)

Table of Contents

Related product manuals