EasyManua.ls Logo

DAELIM S2 125

DAELIM S2 125
184 pages
To Next Page IconTo Next Page
To Next Page IconTo Next Page
To Previous Page IconTo Previous Page
To Previous Page IconTo Previous Page
Loading...
11-0
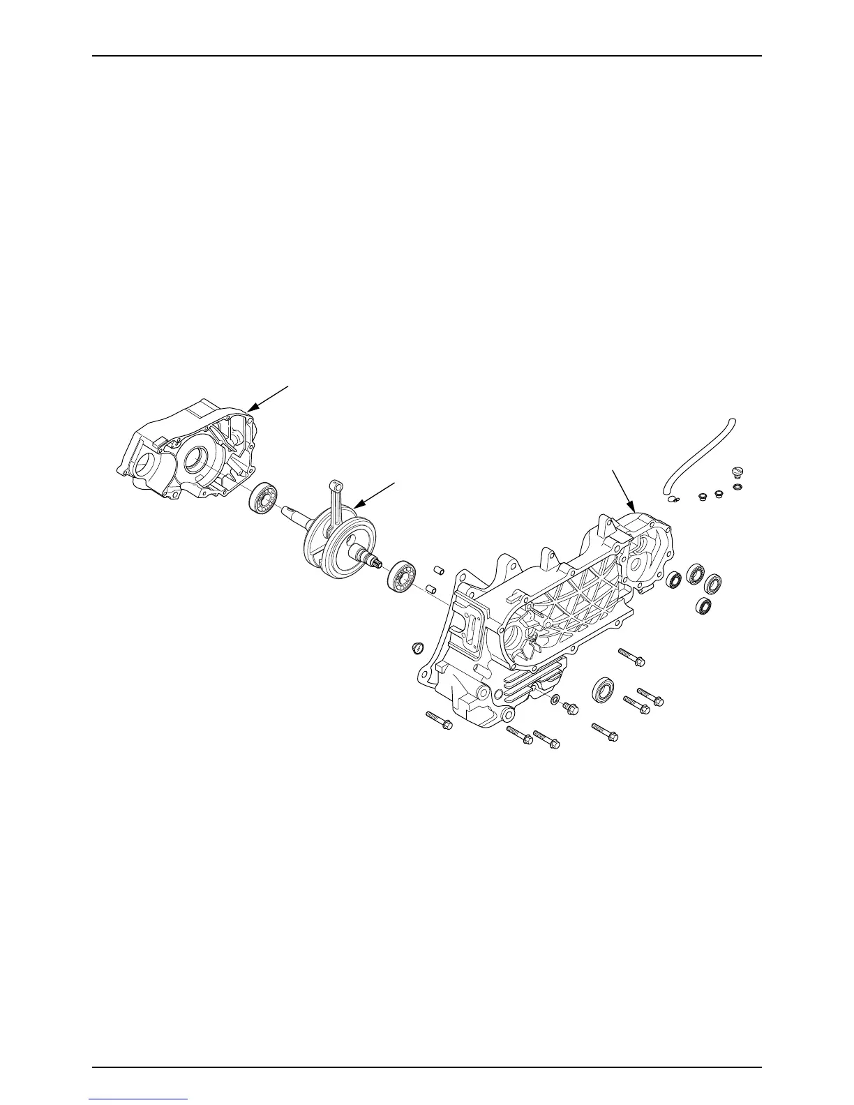
TRANSMISSION/CRANKSHAFT/CRANKCASE
RH.CRANKCASE
LH.CRANKCASE
CRANKSHAFT

Table of Contents

Other manuals for DAELIM S2 125

Related product manuals