EasyManua.ls Logo

DAELIM VJF125 - WIRING DIAGRAM; Wiring Diagram

DAELIM VJF125
288 pages
Print Icon
To Next Page IconTo Next Page
To Next Page IconTo Next Page
To Previous Page IconTo Previous Page
To Previous Page IconTo Previous Page
Loading...
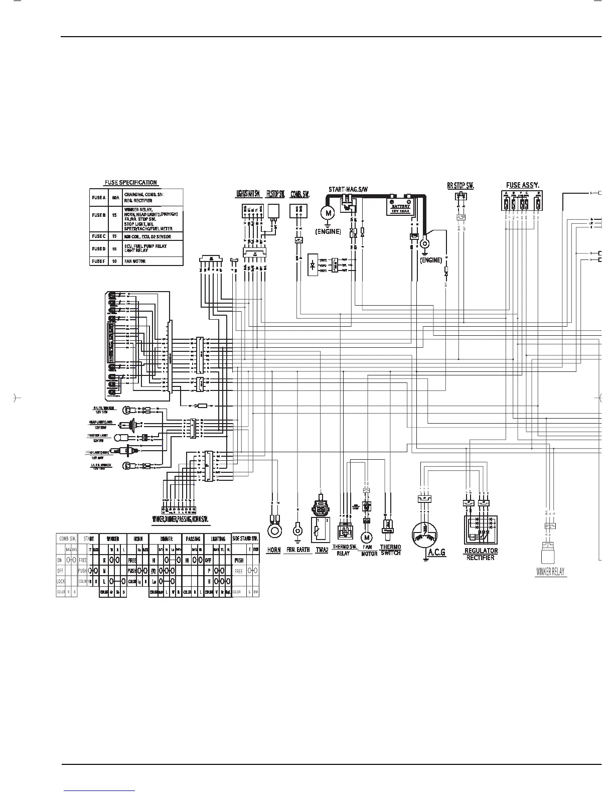
22. WIRING DIAGRAM

Table of Contents

Related product manuals