EasyManua.ls Logo

Daikin DZ17VSA481AA - Page 96

Daikin DZ17VSA481AA
188 pages
Print Icon
To Next Page IconTo Next Page
To Next Page IconTo Next Page
To Previous Page IconTo Previous Page
To Previous Page IconTo Previous Page
Loading...
3636
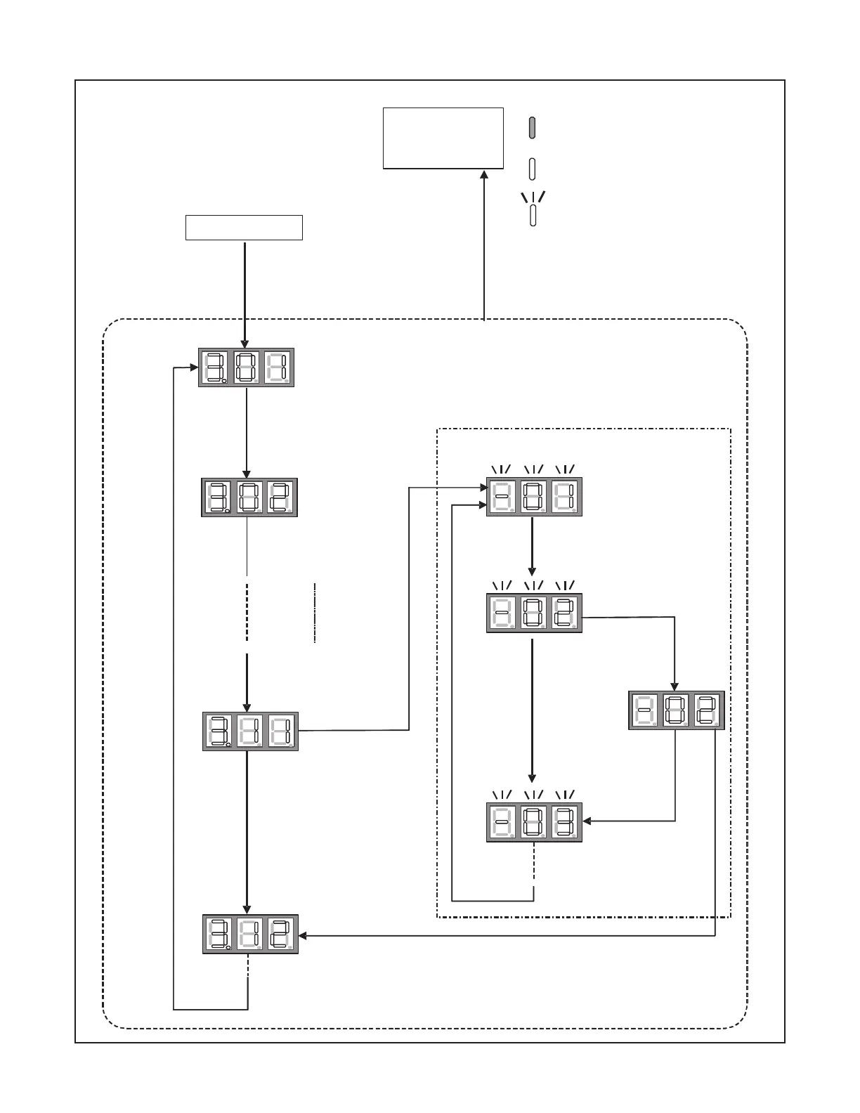
réglage du mode d’aFFIchage
Maintenez RECALL enfoncé.
SETTINGS MODE 1 NAVIGATION
< SCREEN 3 >
< SCREEN 0 >
Appuyez sur RECALL.
Appuyez sur
RECALL.
Appuyez sur
RECALL.
Appuyez sur TEST.
Appuyez sur TEST pour compléter le réglage et retourner au mode réglage.
< SCREEN 2 >
Appuyez sur LEARN.
< SCREEN 3 >
< Modifier l’Affichage du Réglage >
Appuyez sur RECALL.
Appuyez sur RECALL.
ARRÊT
MARCHE
Intervalle de clignotement:
0,4 sec. MARCHE - 0,4 sec. ARRÊT
Le Setting Mode 1 permet à
l’utilisateur d’ajuster les réglages du
système tel que montré dans les
tableaux à la fin de cette section.
Appuyez sur RECALL
pour augmenter la valeur.
Appuyez sur RECALL
pour augmenter la valeur.
Appuyez sur TEST
pour modifier le
réglage.
Appuyez
sur
RECALL.
Appuyez
sur
RECALL.

Table of Contents

Related product manuals