EasyManua.ls Logo

Daikin DZ17VSA481AA - Page 97

Daikin DZ17VSA481AA
188 pages
Print Icon
To Next Page IconTo Next Page
To Next Page IconTo Next Page
To Previous Page IconTo Previous Page
To Previous Page IconTo Previous Page
Loading...
3737
Français
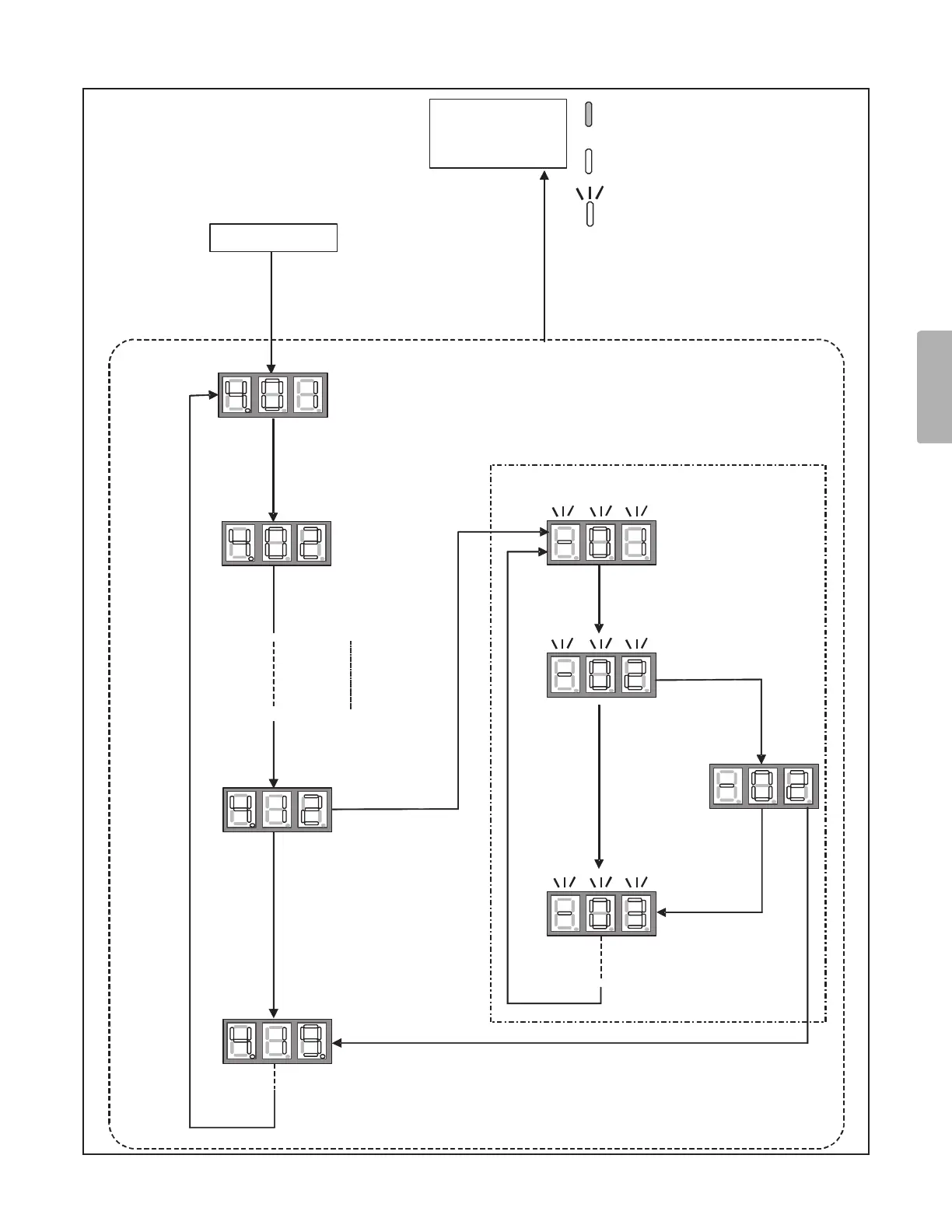
réglage du mode d’aFFIchage
Appuyez sur LEARN.
< Modifier l’affichage du réglage >
Maintenez enfoncés les boutons
RECALL et TEST.
< SCREEN 4 >
SETTINGS MODE 2
< SCREEN 3 >
Appuyez sur RECALL.
Appuyez sur TEST pour compléter le réglage et retourner au mode réglage.
Appuyez sur RECALL.
Appuyez sur RECALL.
< SCREEN 0 >
ARRÊT
MARCHE
Intervalle de clignotement:
0,4 sec. MARCHE - 0,4 sec. ARRÊT
Appuyez sur RECALL.
Appuyez sur RECALL.
Appuyez sur TEST.
Appuyez sur RECALL.
< SCREEN 4 >
Le Setting Mode 2 permet à
l’utilisateur de modifier les réglages
du système. Voir le tableau au verso
de cette section.
Appuyez sur RECALL
pour augmenter le
nombre.
Appuyez
sur
RECALL.
Appuyez
sur
RECALL.
Appuyez sur TEST
pour modifier le
réglage.

Table of Contents

Related product manuals