EasyManua.ls Logo

Daikin DZ20VC - Page 16

Daikin DZ20VC
112 pages
Print Icon
To Next Page IconTo Next Page
To Next Page IconTo Next Page
To Previous Page IconTo Previous Page
To Previous Page IconTo Previous Page
Loading...
SYSTEM OPERATION
16
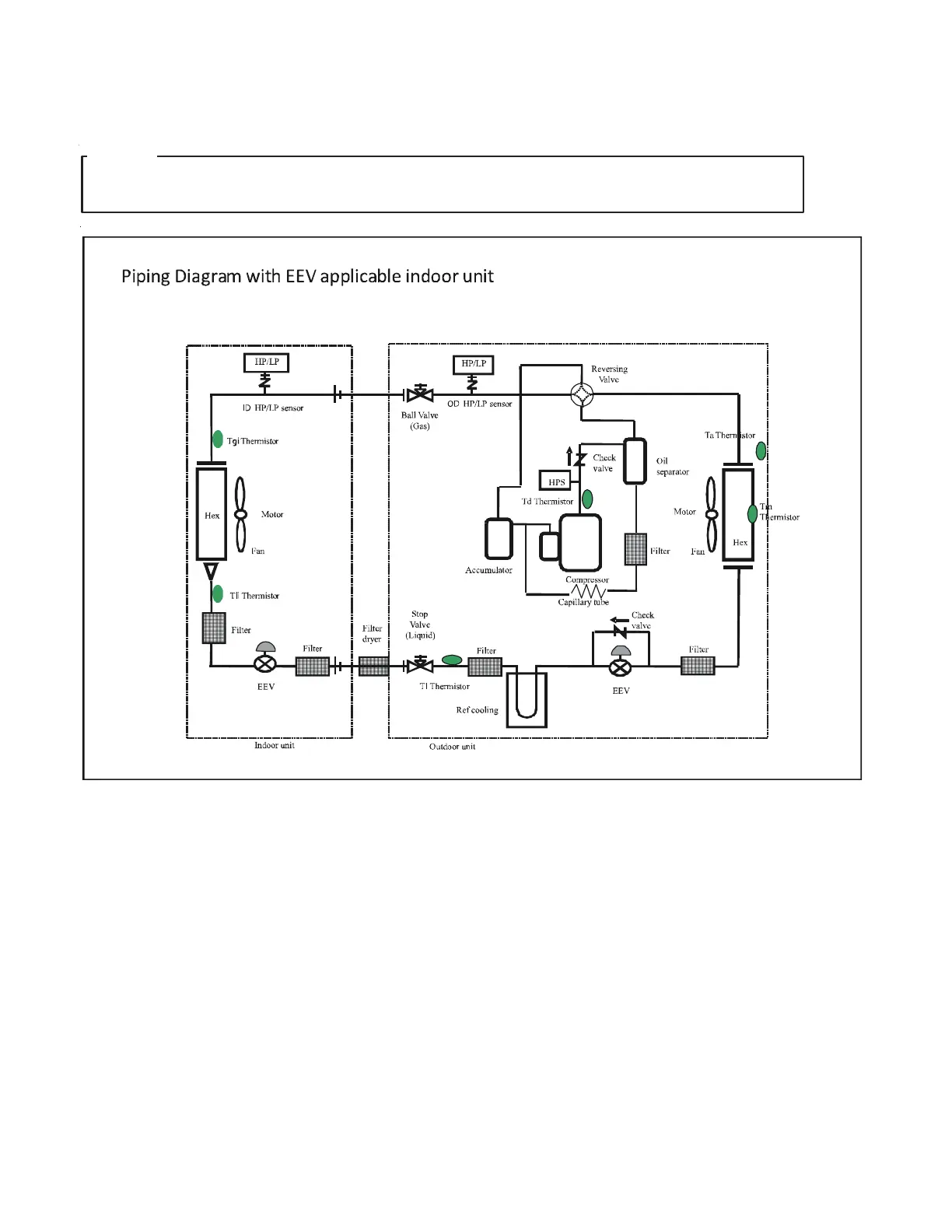
LEGEND:
Tl = Thermistor (Outdoor Liquid Temperature)
Td = Thermistor (Discharge Temperature)
Ta = Thermistor (Outdoor Air Temperature)
Tm = Th ermistor (Ou tdoor Coil Temperature)
Tli = Thermistor (Indoor Liquid Temperature)
Tgi = Th ermistor (In door Gas Temperature)
ID HP /LP sen sor = Indoor High/Low Pressure Sensor
OD HP/LP se nsor = Outdoor High/Low Pressu re Sensor
HPS = Hi
g
hPressureSwitch
HE PECIFICATION OF OR EARLIER MODELS ARE DIFFERENT FROM THIS SPECIFICATION OR DETAILS SEE THE SERVICE
MANUAL THAT MATCHES THE MAJOR REVISION OF MODEL NAME
T S DZ20VC0601B* . F ,
.
NOTICE
COOLING CYCLE

Table of Contents

Related product manuals